Analog Devices/Hittite HMC751LC4 SMT PHEMT 低ノイズ・アンプ

Analog Devices/Hittite HMC751LC4 SMT
PHEMT 低ノイズ・アンプ

Analog Devices/HittiteのHMC751LC4 SMT PHEMT 低ノイズ・アンプは、高いダイナミックレンジのGaAs pHEMT MMIC低ノイズ・アンプ(LNA)で、リードレス、鉛フリー、RoHS準拠のSMTパッケージに収められています。HMC751LC4は、25dBの小信号ゲイン、2.2dBのノイズ指数、+25dBmの出力IP3を提供します。+13dBmのP1dB出力パワーは、均衡のとれたI/Qまたはイメージ除去ミキサ向けのLOドライバとして機能するLNAも実現させます。HMC751LC4は、表面実装製造技法を使用できるようにします。標準的な用途には、ポイント・ツー・ポイント無線、ポイント・ツー・マルチポイント無線、VSAT、テスト装置、センサ、軍用アプリケーションがあります。

特徴
  • ノイズ指数:2.2dB
  • ゲイン:25dB
  • OIP3:+25dBm
  • 単電源:+4V@73mA
  • 50Ohmの整合済み入力/出力
  • RoHS準拠、4 x 4mmのパッケージ
  • 電気仕様、TA = +25°C、VDD 1、2、3 = +4V
アプリケーション
  • ポイント・ツー・ポイント無線
  • ポイント・ツー・マルチポイント無線およびVSAT
  • テスト装置およびセンサ
  • 軍事用
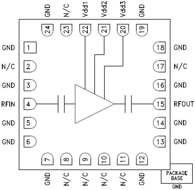
機能図
機能図
eNewsに登録する
  • Hittite / Analog Devices