Analog Devices Inc. ADRF5050-EVALZ評価ボード

アナログ・デバイセズ(Analog Devices)ADRF5050-EVALZ評価ボードは、ADRF5050の機能と性能を評価するように設計されています。ADRF5050は、シリコン・オン・インシュレータ(SOI)プロセスを用いて製造された無反射型SP4Tスイッチです。ADRF5050-EVALZは、試験装置への容易な接続を可能にし、キャリブレーション用の追加のスルーラインを備えています。

特徴

  • ADRF5050 用フル機能評価ボード
  • 試験装置への容易な接続
  • キャリブレーション用の追加のスルーライン

アプリケーション

  • テスト機器
  • 軍用ラジオ、レーダー、電子対策(ECM)
  • マイクロ波ラジオおよび超小型アパーチャ端子(VSAT)

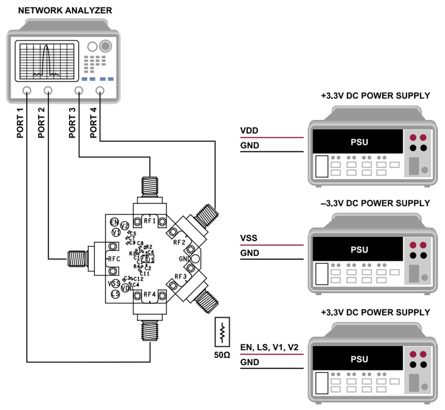
必要な機器

  • DC電源
  • ネットワーク解析器

テストセットアップ

チャート - Analog Devices Inc. ADRF5050-EVALZ評価ボード

ボードレイアウト

機械図面 - Analog Devices Inc. ADRF5050-EVALZ評価ボード
公開: 2025-09-15 | 更新済み: 2025-10-01