Analog Devices Inc. EVAL-LTPA-RL2000 DC効率性メータ
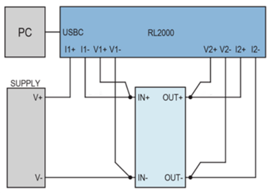
Analog Devices EVAL-LTPA-RL2000 DC効率性メータは、LTpowerAnalyzer®キット(EVAL-LTPA-KIT)との併用を目的として設計されています。ADI EVAL-LTPA-RL2000は、複数の負荷電流値にわたって電源設計の効率性特性を評価するためのコンパクトなラボ用計測器です。2つの電圧入力と2つの電流入力を備えており、RL2000は、最大150Wまで入力電力と出力電力の両方を同時に測定できます。このDC効率性メータの測定範囲は、電圧入力については±125V、電流入力および負荷については10µA、100µA、1mA、10mA、100mA、1A、10A、30Aです。使いやすさを考慮して、RL2000にはオートレンジ機能が実装されているため、測定された入力に基づいて、メータを最適なレンジに自動的にスイッチすることができます。特徴
- LTpowerAnalyzerキット(EVAL-LTPA-KIT)との併用
- 絶縁型電圧測定チャンネル x2
- 範囲:±125VDC
- 分解能:1mV
- インピーダンス:2MΩ
- 精度:0.01%読み取り値 + 0.01%範囲
- 絶縁型電流測定チャンネル(プログラム可能な電圧降下)x1
- 入力:30A DC
- オプション:10µA、100µA、1mA、10mA、100mA、1A、10A、30A
- 分解能:10nA、10nA、100nA、1µA、10µA、100µA、1mA、1mA
- 精度:0.025%読み取り値 + 0.01%範囲
- サーボ電圧精度:0.01%読み取り値 + 0.01%範囲
- 電圧降下範囲:0V~5V
- シャットダウン温度: +70°C
- プログラム可能な絶縁型電流負荷 x1
- 入力:30A DC
- オプション:10µA、100µA、1mA、10mA、100mA、1A、10A、30A
- 分解能:10nA、10nA、100nA、1µA、10µA、100µA、1mA、1mA
- 精度:0.025%読み取り値 + 0.01%範囲
- 最大電力150W
- 75Vの負荷電圧
- シャットダウン温度: +70°C
- 自動温度モニタリングと熱管理
- 複数のメータを使用することで、複数の入力電流/大電流(>30A)アプリケーションに対応可能
- USB Type-C®インターフェイス
アプリケーション
- DC/DCコンバータの評価
- 電源試験
- 組み込みシステムにおけるエネルギー最適化
- ベンチマークパワーマネージメントIC
- 研究室およびR&D環境
- 自動車および産業用電子機器
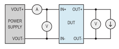
一般的なテストセットアップ
代表的なハードウェアセットアップ
公開: 2025-12-03
| 更新済み: 2025-12-10
