Analog Devices Inc. LT8228双方向バック/ブーストコントローラ
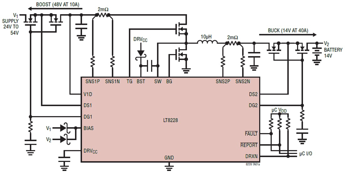
Analog Devices Inc. LT8228双方向バック/ブーストコントローラは、100V定電流または定電圧同期バックあるいはブーストコントローラで、独立した補償ネットワークが備わっています。電力フローの方向は、LT8228または外部制御によって自動的に決定されます。入力および出力保護MOSFETは、負の電圧からの保護、突入電流の制御、スイッチングMOSFETショートなどの故障状態下で端子間の絶縁を実現しています。バックモードでは、V1端子での保護MOSFETが逆電流を防止します。ブーストモードでは、同じMOSFETが出力突入電流の安定化を図り、タイマ回路ブレーカを調整してそれ自体を保護します。LT8228には、双方向入力および出力電流制限だけでなく、独立した電流監視も備わっています。マスターレスおよび障害許容の電流共有によって、電流共有の精度を維持しながら、並列接続されているLT8228の台数を増やしたり減らしたりできます。内部および外部の障害診断と報告は、FAULTおよびREPORTピン経由で利用できます。LT8228は、38リードTSSOPパッケージに収められています。
特徴
- 双方向電圧または電流安定化
- 双方向逆電流保護
- -60Vまでの入力および出力の負の電圧保護
- 双方向突入電流制限とブースト出力短絡保護
- スイッチングMOSFETの短絡検出と保護
- 10Vゲート駆動
- 最高100Vまでの広い入力および出力電圧範囲
- 帰還電圧公差: 温度全体で±1.0%
- 双方向プログラマブル電流安定化と監視
- 豊富な自己テスト、診断、障害報告
- 80kHz~600kHzのプログラマブル固定または同期式スイッチング周波数
- プログラマブル・ソフトスタートと動的電流制限
- マスターレス、障害許容の電流共有
アプリケーション
- デュアルバッテリ車載および産業システム
- ハイパワーシステムのバックアップと電源安定化
- 「N+1」冗長、高信頼性電源
- 電力遮断保護システム
ビデオ
標準アプリケーション
公開: 2019-11-26
| 更新済み: 2025-02-17
