LTC2387-16およびLTC2387-18 SAR ADCには、レイテンシがない動作が備わっており、高速制御ループ・アプリケーションを対象とした独自のソリューションを実現します。高入力周波数での非常に低い歪みによって、広いダイナミックレンジと重要な信号帯域幅が必要になるアプリケーションの通信が可能になります。このデバイスは、シリアルLVDSデジタル・インターフェイスが特徴で、データラインを最小限に抑えながら高速動作をサポートします。LVDSインターフェイスには、1レーンおよび2レーンの出力モードがあり、アプリケーションごとにインターフェイスのデータレートを最適化できます。
Analog Devices Inc. LTC2387-16およびLTC2387-18 SAR ADCには、125mW電力損失があり、32ピン(5mm × 5mm)QFNパッケージに格納されています。
特徴
- 15Mspsスループットレート
- パイプライン遅延なし、サイクルレイテンシなし
- 93.8dB SNR(標準)@ fIN = 1MHz(LTC2387-16)、95.7dB SNR(標準)@ fIN = 1MHz(LTC2387-18)
- 102dB SFDR(標準)@ fIN = 1MHz
- ナイキストサンプリング最大7.5MHz入力
- 16ビット保証、(LTC2387-16)、18ビット保証(LTC2387-18)、ノーミッシングコード
- ±0.8LSB INL(最大)(LTC2387-16)、±3LSB INL(最大)(LTC2387-18)
- 8.192VP-P差動入力
- 電源:5Vおよび2.5V
- 内部20ppm/°C(最大)リファレンス
- シリアルLVDSインターフェイス
- 電力損失:125mW
- 32ピン(5mm × 5mm)QFNパッケージ
アプリケーション
- 高速データアクイジション
- 画像化
- 通信機器
- 制御ループ
- 計器
- ATE
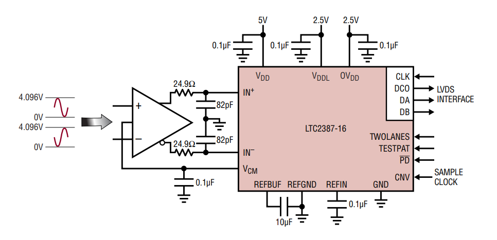
代表的なアプリケーション
その他の資料
公開: 2021-08-20
| 更新済み: 2025-03-25

