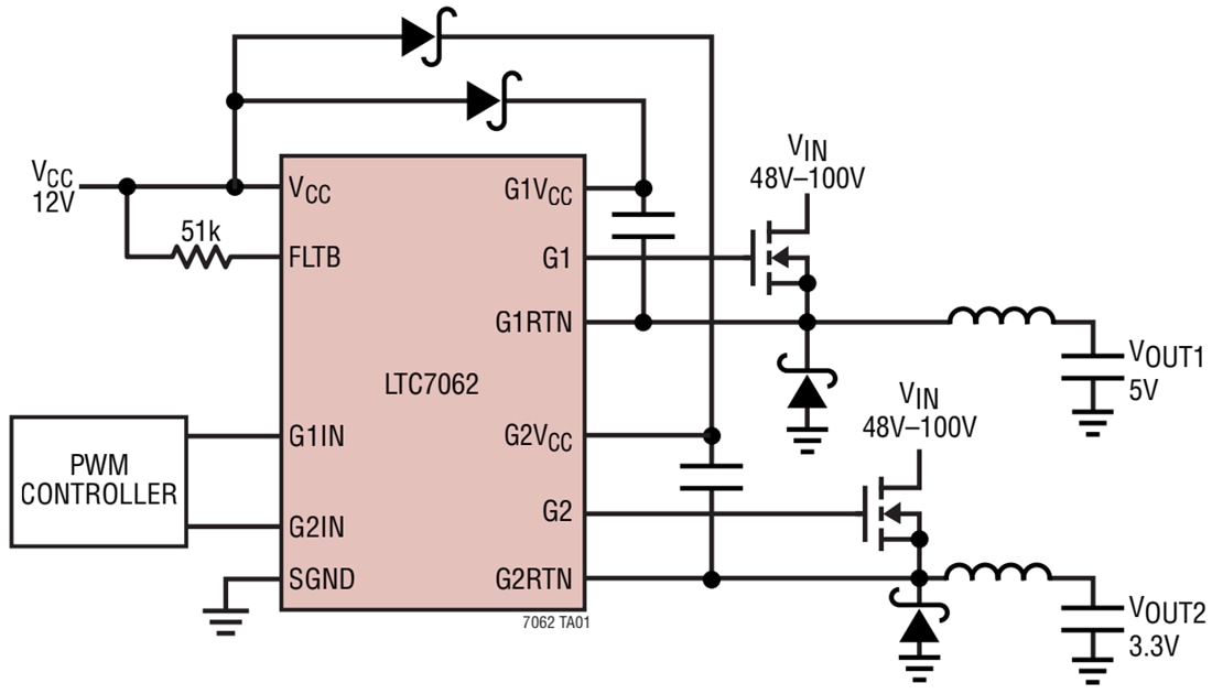
Analog Devices LTC7062には、パワフルな0.8Ωプルダウンおよび1.5ΩプルアップMOSFETドライバが搭載されており、大ゲート静電容量の高電圧MOSFETを使用できます。その他の機能には、UVLO、TTL/CMOS互換入力、障害インジケータがあります。
特徴
- 独自の対称浮動ゲートドライバ・アーキテクチャ
- ±10Vの接地差を許容する高ノイズ耐性
- IC供給電圧VCCに依存しない100V最高入力電圧
- 動作電圧: 5V~14V VCC
- 4V~14Vゲートドライバ電圧
- 0.8Ωプルダウン、1.5Ωプルアップ(高速ターンON/OFF用)
- TTL/CMOS互換入力
- VCC UVLO/OVLOおよび浮動供給UVLO
- デュアルNチャンネルMOSFETを駆動
- オープンドレイン障害インジケータ(VCC UVLO/OVLO、ゲートドライバUVLO、サーマルシャットダウン)
- 熱強化型12リードMSOPでご用意あり
- AEC-Q100車載認定(手続き中)
アプリケーション
- 車載および工業用電源システム
- テレコミュニケーション・パワーシステム
代表的なアプリケーション
公開: 2021-03-23
| 更新済み: 2025-02-06

