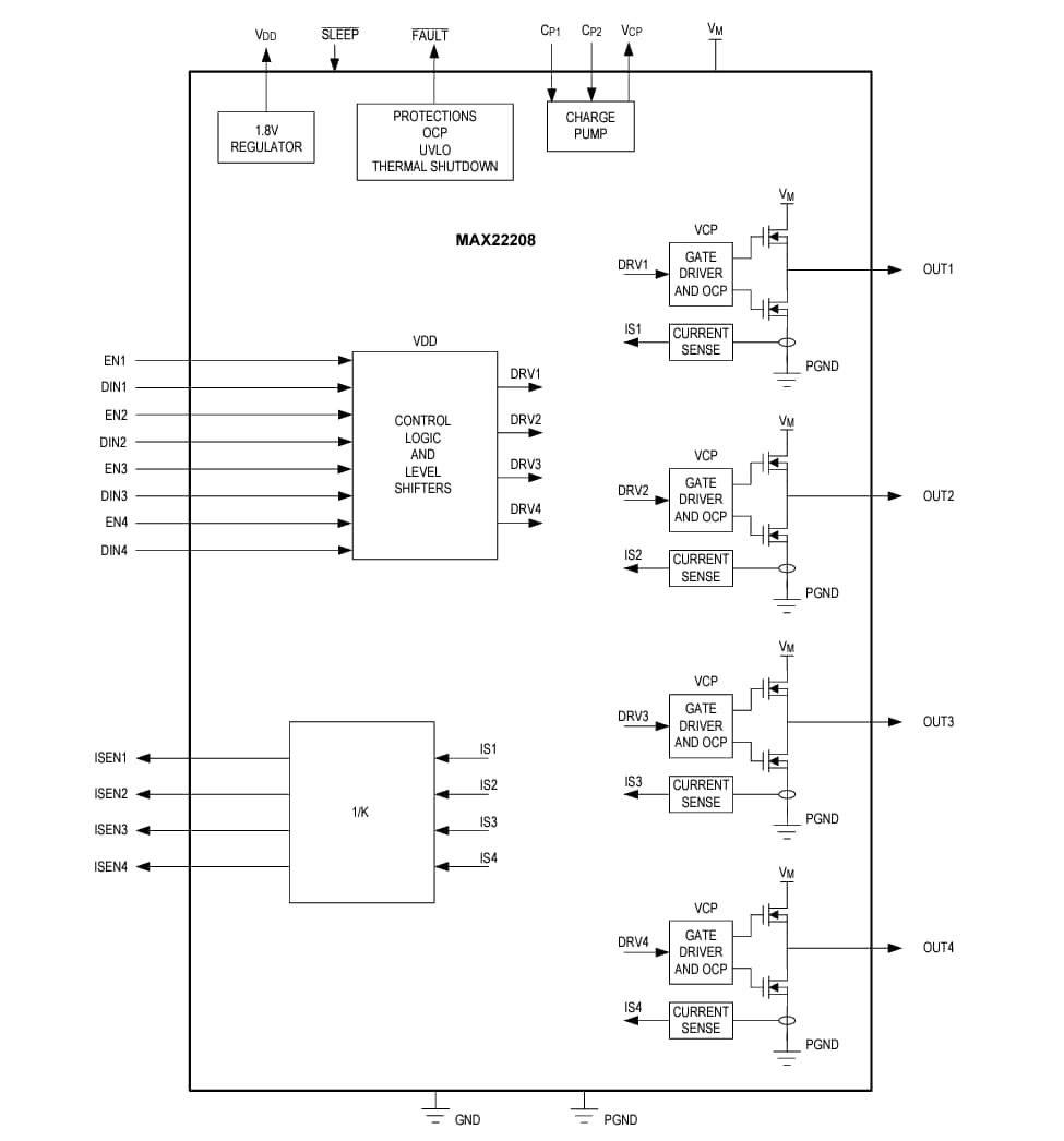
パワーFETは、インピーダンスが非常に低いため、駆動効率が高く、と放熱も抑えられます。合計RON(ハイサイド+ローサイド)の標準値は0.3Ωです。各ハーフブリッジは、2つのロジック入力(DIN、EN)を用いて、個別にパルス幅変調(PWM)を制御できます。
ADI MAX22208には、非散逸電流センシングを内蔵しており、この機能に通常必要とされる大きな外付け電力抵抗器が不要です。その結果、外付け検出抵抗器を用いる主流のアプリケーションよりも、スペースと電力を大幅に節約できます。
内部で検出された負荷電流に比例した電流が、外部電流モニタ・ピン(ISEN)に出力されます。外付け抵抗器をこれらのピンに取り付けると、モータ電流に比例した電圧が生成されます。制御アルゴリズムが電流/トルク情報を要求するときはいつでも、外付け抵抗器間の電圧降下をコントローラADCに入力できます。
ハーフHブリッジあたりの最大出力電流はIMAX = 3.8Aで、過電流保護(OCP)回路によって制限されます。この電流は、非常に短い過渡電流で駆動でき、小さな容量性負荷を効果的に駆動することを目的としています。
MAX22208は、小型の5mm x 7mm、38ピンTQFNおよび4.4mm x 9.7mm、38ピンTSSOPパッケージに収められています。
特徴
- 4つの独立したハーフHブリッジドライバ
- 65Vの最大動作電圧
- TA = +25°Cで0.3Ω(標準)RON(ハイサイド+ローサイド)
- 完全に独立したハーフブリッジ制御
- Hブリッジあたりの定格電流(TA = +25°C):
- IMAX = 3.8A(容量性負荷駆動用のインパルス電流)
- IRMS=2A
- 電流センシング(IC)を内蔵することで大型の外付け抵抗器が不要になり、効率が向上
- 電流検出出力モニタ
- 障害インジケータピン(FAULT)
- 各チャンネルごとの過電流保護(OCR)
- 不足電圧ロックアウト(UVLO)
- サーマル・シャットダウンTSD = +155°C
- 5mm x 7mm、38ピンTQFNおよび4.4mm x 9.7mm、38ピンTSSOPパッケージ
アプリケーション
- ブラシ付きDCモータードライバ
- ステッパモータドライバ
- ソレノイドドライバ
- ラッチバルブ
仕様
- 電源電圧範囲:4.5V〜65V
- スリープモード消費電流:20uA
- 静止消費電流5mA
- 電流制限:18mA V DD
- 110mV入力ヒステリシス
- 270mΩ出力オン抵抗ローサイド
- 300mΩ出力オン抵抗ハイサイド
- 出力スルーレート:300V/µs
簡略ブロック図
機能図
公開: 2024-10-11
| 更新済み: 2024-11-04

