Analog Devices / Maxim Integrated MAXM17225 nanoPowerブーストモジュール
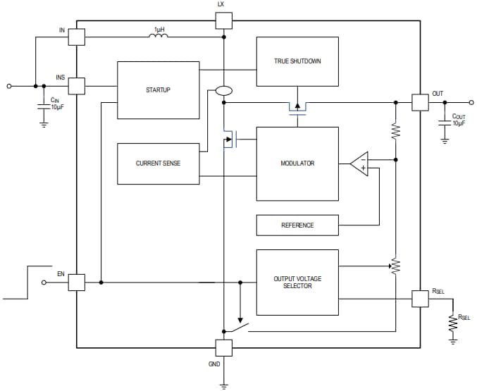
Analog Devices MAXM17225 nanoPowerブーストモジュールは、小型eMGAパッケージに収められていて、超低IQ(300nA)によりバッテリ寿命と製品寿命を延長します。MAXM17225は、最低0.88Vの電圧で起動し、起動後に入力電圧VIN を0.4Vまで下げることができます。これらの電圧によってMAXM17225は、経時的に電圧放電を受けるバッテリ駆動デバイスに最適です。ADI MAXM17225は、0.4V ~ 5.5Vの入力電圧を受け入れ、1.8V ~ 5Vのプログラマブル出力電圧にブーストします。出力電圧は、単一の外付け抵抗(RSEL)を使用して設定されます。MAXM17225の最大効率は95%です。このモジュールは、高い効率性を要求しながらスペースに制約のあるエンクロージャで昇圧変換が必要になるバッテリ駆動デバイスやポータブル電子機器のようなアプリケーションに最適です。実際のシャットダウンによって、出力から入力を切断し、バッテリ寿命を節約します。特徴
- バッテリ寿命を延長
- 300nAという超低自己消費電流
- シャットダウン電流: 0.5nA
- ピーク効率: 95%
- 真のシャットダウン
- 入力から出力を切断
- VIN 、VOUT からのゼロ順方向/逆方向電流
- 主な堅牢な性能機能の例:
- 内部電流制限
- 統合ソフトスタート
- 軽負荷動作でのさらなる高効率を目的としたPFM制御スキーム
- 人気の高い動作に対処できる使いやすさ
- 5.5Vにおける最低VIN0.4 V
- 最低動作電圧:0.88V
- シングルレジスタで調整できるVOUT :1.8V ~ 5V
- 100mVステップでのVOUT 選択分解能
- ピークインダクタ電流制限:1A
- 縮小されたサイズと向上した信頼性
- 2.1mm x 2.6mm、10-lead eMGAパッケージ
- -40°C~+125°C動作温度範囲
アプリケーション
- ヘルスモニタリングとフィットネス機器
- 超低消費電力のIoTモジュール
- BLUETOOTH® LEデバイス
- ウェアラブル
- POSターミナル
- USB On-The-Goアダプタモジュール、USB充電
- RTC/アラームブザー用スーパーコンデンサバックアップ
- シングルまたはデュアルセルのアルカリ電池製品
ビデオ
簡略ブロック図
標準アプリケーション回路
公開: 2024-05-02
| 更新済み: 2025-08-14
