Analog Devices Inc. MAX17853 電源管理IC
Analog Devices Inc. MAX17853電源管理IC (PMIC) は、 電気およびハイブリッド自動車で中型から大型のセル数構成バッテリパックを目的とした、単一チップASIL-D準拠のバッテリ監視ソリューションです。 MAX17853は、Flexpackと呼ばれる柔軟なアーキテクチャを採用しており、設計者はモジュール構成を変更して市場の需要に迅速に対応できます。MAX17853は、高電圧および低電圧のバッテリモジュール両方を監視できるため、設計者は電圧、温度、通信に対して最高レベルの安全性を満たすシステムを作成できます。 MAX17853には、バッテリ・セルバランシング・システムも統合されており、時間と電圧によって自動的に各セルのバランスをとり、過充電のリスクを最小限に抑えます。MAX17853は、14個のセル電圧を測定し、6つの温度やシステム電圧測定と完全冗長測定エンジンを263μsで組み合わせるか、ADC測定エンジンだけですべての入力を156μsで実行できます。セルバランシング電流用に定格300mAを超える14個の内部バランシング・スイッチがあり、それぞれ広範な内蔵診断をサポートしています。最大32台のデバイスをDaisy-chain接続して、448個のセルを管理し、192個の温度を監視できます。
-2.5V ~ +5Vの範囲のセルおよびバスバー電圧は、65Vコモンモード範囲で差動測定され、標準精度は1mV (3.6Vセル、+25°C) です。オーバーサンプリングが有効になっている場合、チャンネルあたり最大128個の測定値を14ビット分解能で内部的に平均化し、デジタル後処理IIR (無限インパルス応答) フィルタリングと組み合わせてノイズ耐性を向上させることができます。システムは、そのダイ温度を計測することによって熱的過負荷が発生した場合にシステムをシャットダウンできます。
MAX17853には、Analog Devicesのバッテリ管理UARTまたはSPIプロトコルを使用して堅牢な通信を実現します。組み込み通信とハードウェアアラート・インターフェイスの両方を介して内部診断と急速アラート通信の削減された機能セットをサポートするように最適化されており、ASIL-D (自動車安全整合性レベルD) およびFMEA (故障モードと効果分析) 要件をサポートしています。
MAX17853は、10mm2 LQFP (薄型クワッド・フラット・パック) パッケージで提供され、-40°C ~ +125°Cの広い動作温度範囲を備えています。
特徴
- 65Vの動作電圧
- 超低消費電力動作
- 2mAスタンバイモード
- 2µAシャットダウンモード
- 冗長ADCとコンパレータ(COMP)の取得
- 同時セルとバスバー電圧の取得
- 14個のセル電圧測定チャンネル
- 1mV精度 (3.6V、+25°C)
- 2mV精度 (+5°C ~ +40°C)
- 4.5mV精度(-40°C ~ +125°C)
- 14個のセルバランシング・スイッチ
- >300mAソフトウェアプログラマブル・バランシング電流
- 最適化された駆動と駐車モード
- 個々のセルタイマとの自動バランシング
- セル電圧による自動バランシング
- 緊急放電モード
- 温度、電圧、またはGPIO用6つの構成可能な補助入力
- 統合ダイ温度測定
- 自動過熱上昇保護
- 個別に構成できる安全アラート
- 過電圧、温度過降障害
- 低電圧、温度過昇障害
- 1つのセル不一致アラート
- セル電圧、温度、通信のASIL-D要件をサポート
- UART、デュアルUART、またはSPIインターフェイスを選択可
- バッテリマネジメントUARTプロトコル
- 最大32台デバイスのDaisy-chain接続
- 静電容量式通信ポート絶縁
- 最大2Mbpsボーレート(自動検出)
- (1デバイスあたり)1.5µs伝播遅延
- パケットエラー確認 (PEC)
- 設定可能なハードウェアアラート・インターフェイス
- 工場出荷時にトリミングされた発振器、外部水晶は不要
- 32ビット一意デバイスID
- LQFP-64 パッケージタイプ
- 10mm x 10mmパッケージ寸法
アプリケーション
- 電気自動車(EV)
- ハイブリッド電気自動車(HEV)
- 電動バイク
- バッテリバックアップシステム(UPS)
- バッテリ駆動ツール
- 高電圧バッテリスタック
- スーパーコンデンサシステム
ビデオ
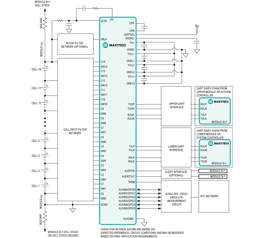
簡略化アプリケーション回路
