Analog Devices / Maxim Integrated MAX22445 4チャンネル・デジタルアイソレータ
Maxim Integrated MAX22445 4チャンネル・デジタルアイソレータは、強化型、高速、低消費電力のデジタル・アイソレータです。このデバイスは、チャンネルあたり1Mbpsで0.74mWを使用している異なる電力ドメインの回路間でデジタル信号を転送するように設計されています。MAX22445アイソレータには、単方向チャンネル構成が備わっており、SPI、RS-485、デジタルI/Oアプリケーションを始めとする、あらゆる4チャンネル設計に対処できます。このデジタルアイソレータ・チャンネルは常に有効になっており、このデバイスの出力のデフォルト状態を選択できます。MAX22445アイソレータは、25Mbpsまたは200Mbpsのいずれかのデータレート、アイソレータの両側の独立した1.71V〜5.5Vの電源、3方向構成が特徴です。このデバイスは、-40°C~125°Cの温度範囲で動作します。MAX22445 4チャンネル・デジタルアイソレータは、16ピン・ワイドボディSOICパッケージでご用意があり、8mmの沿面距離およびクリアランスが備わっています。一般的なアプリケーションには、絶縁SPIインターフェイス、バッテリ管理、絶縁RS-485/RS-422、医療システムがあります。
特徴
- Maximの独自プロセス技術を活用
- 高速デジタル信号用の強化ガルバニック絶縁:
- 200Mbpsまでの最大データレート
- 5kVRMS(60秒)に対する耐性
- 連続耐性1500VRMS
- GNDAおよびGNDB間で、1.2/50μs波形で±10kVサージ耐性
- 低消費電力:
- 1.8VDDでチャンネルあたり0.74mW @ 1Mbps
- 3.3VDDでチャンネルあたり1.4mW @ 1Mbps
- 1.8VDDでチャンネルあたり3.2mW @ 100Mbps
- 広範なアプリケーションに対応するオプションがあります。
- 2つの最大データレート(200Mbpsまたは25Mbps)
- 3方向構成
- アクティブハイまたはアクティブロー・イネーブル入力
- 2つの固定出力デフォルト状態(ハイ/ロー)またはピン選択可能(M/Nバージョン)
アプリケーション
- 絶縁SPIインターフェイス
- 産業オートメーション向けフィールドバス通信
- 絶縁RS-485/RS-422およびコントローラエリアネットワーク(CAN)
- バッテリ管理
- 医療用システム
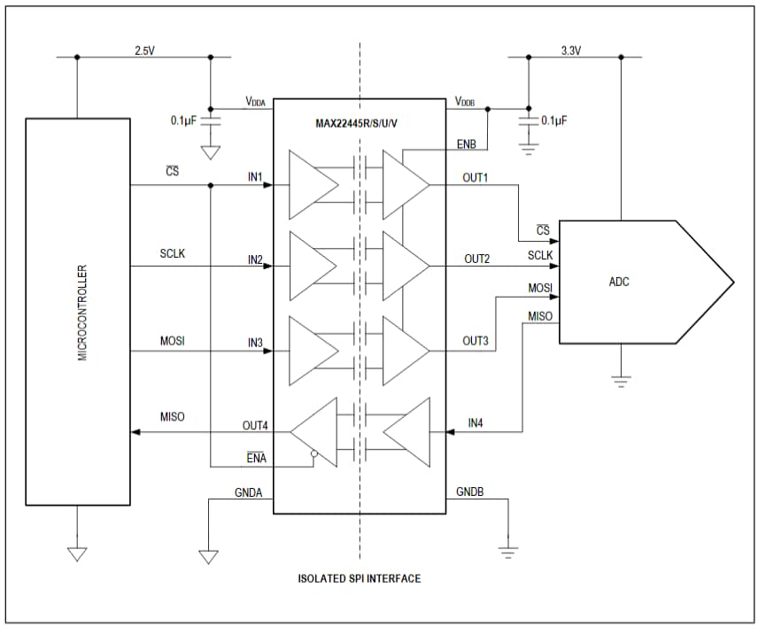
MAX22445のアプリケーション図
View Results ( 13 ) Page
| 部品番号 | データシート | 極性 | データ レート | アイソレーションタイプ | 伝搬遅延時間 | 最大下降時間 | 最長上昇時間 |
|---|---|---|---|---|---|---|---|
| MAX22446CAWE+ | ![]() |
Unidirectional | 25 Mb/s, 200 Mb/s | Capacitive Coupling | 6.1 ns | 3 ns | 2.4 ns |
| MAX22444CAWE+ | ![]() |
Unidirectional | 200 Mb/s | Galvanic Isolation | 6.1 ns | 3 ns | 2.4 ns |
| MAX22445FAWE+ | ![]() |
Unidirectional | 25 Mb/s, 200 Mb/s | Capacitive Coupling | 5.7 ns | 3 ns | 2.4 ns |
| MAX22445EAWE+ | ![]() |
Unidirectional | 25 Mb/s, 200 Mb/s | Capacitive Coupling | |||
| MAX22441CAEE+ | ![]() |
||||||
| MAX22441FAEE+ | ![]() |
||||||
| MAX22446EAWE+ | ![]() |
Bidirectional | 25 Mb/s, 200 Mb/s | Galvanic Isolation | 24.2 ns | 0.8 ns | 1 ns |
| MAX22446EAWE+T | ![]() |
Bidirectional | 25 Mb/s, 200 Mb/s | Galvanic Isolation | 24.2 ns | 0.8 ns | 1 ns |
| MAX22446CAWE+T | ![]() |
Unidirectional | 25 Mb/s, 200 Mb/s | Capacitive Coupling | 12 ns | 3 ns | 2.4 ns |
| MAX22441CAEE+T | ![]() |
公開: 2018-06-27
| 更新済み: 2023-06-27

