Maxim MAX25530のソースドライバ電源は、同期ブーストコンバータと反転バックブーストコンバータで構成されており、最高+18Vまでの電圧および最低-7Vまでの電圧を生成できます。正のソースドライバは、最大120mAまで供給できる一方で、負のソースドライバは100mAを供給できます。
すべてのパワードメインの起動とシャットダウン・シーケンスは、SEQピンの抵抗器を使用して、あるいはI2Cインターフェイスから選択できる7つのプリセット・モードのいずれかを使用して制御されます。
ADI MAX25530は、露出パッド付き40ピン(6mm x 6mm) TQFNパッケージでご用意があり、-40°C~+105 °Cの周囲温度範囲で動作します。
特徴
- 4出力TFT-LCDバイアス電力
- TFT-LCDセクションの2.8V~5.5V入力
- 集積430kHzまたは2.2MHzブーストおよびバックブーストコンバータ
- 正と負の10mAゲート電圧
- 出力電圧を調整できるレギュレータ(トリプル/反転ダブラ)
- SEQピンを介した柔軟性に富んだ抵抗プログラマブル・シーケンス
- すべての出力での低電圧検出
- 小自己消費電流の待機モード
- 4チャンネルLEDバックライトドライバ
- 1チャンネルあたり最大150mA電流
- 4.5V~42Vの入力電圧範囲
- 集積ブースト/SEPICコントローラ(440kHzまたは2.2MHz)
- 調光比10,000:1(200Hz)
- LED電流シンクでにおける電力損失を低減する適応型電圧最適化
- オープンストリング、ショートしたLED、GNDに対するショートの診断
- 低EMI
- LEDストリングの位相シフト調光
- LEDドライバとTFTでのスペクトラム拡散
- 選択可能なスイッチング周波数
- I2Cインターフェイス(制御と診断用)
- FLTBピンおよびI2Cを介した障害表示
- 故障検出後の自動再試行
- 過負荷と熱保護
- -40°C~+105°C周囲温度動作
- 40ピン (6mm x 6mm) TQFNパッケージ(露出パッド付き)
- AECQ100 Grade 1
アプリケーション
- 車載ダッシュボード
- 車載セントラル・インフォメーション・ディスプレイ
- 車載ヘッドアップ・ディスプレイ
- 車載用ナビゲーションシステム
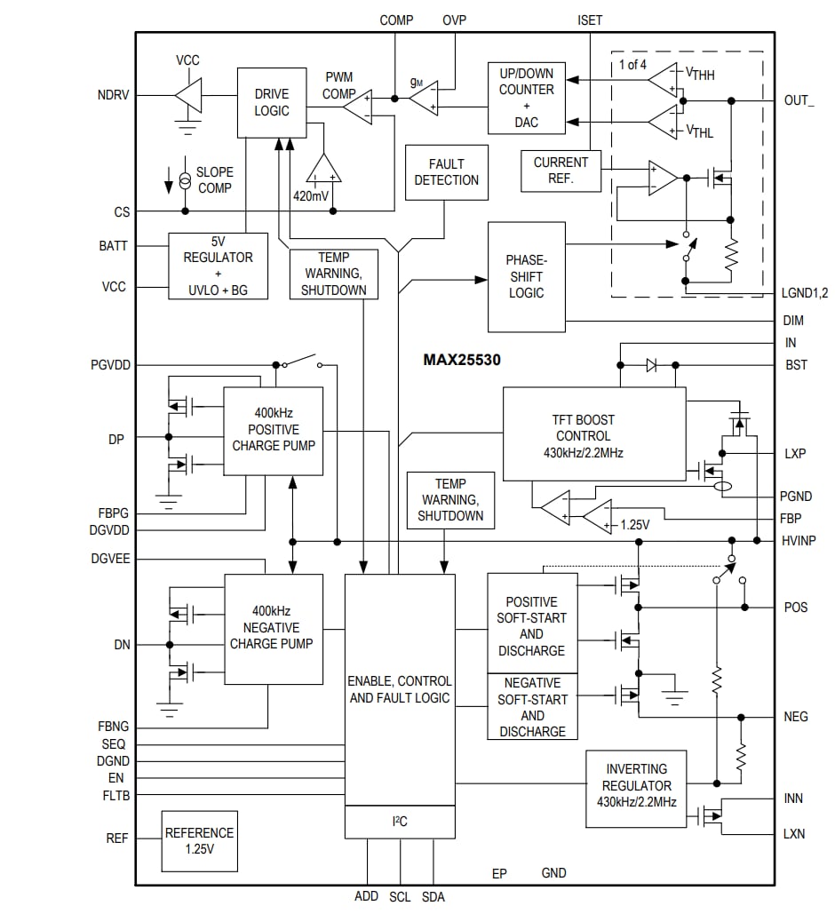
ブロック図
公開: 2021-04-05
| 更新済み: 2023-04-13

