Analog Devices / Maxim Integrated MAX25600同期バックブーストLEDコントローラ
Maxim Integrated MAX25600同期4スイッチバックブーストLEDコントローラは、同期整流が備わっている効率的なバックブーストLEDドライバが必須のアプリケーションを対象としたシームレスなバックブーストLEDドライバとして最適です。また、このデバイスは、PWM調光機能が搭載されている電流源が必須のさらなるハイパワー・アプリケーションを対象としたソリューションです。MAX25600は、安定化が図られているLED電流が特徴で、0V~60VのLEDストリング電圧を目的としています。MAX25600コントローラは、出力電圧に対する入力の比率に応じて、バック、ブースト、バックブーストの各モード間でのシームレスな移行を実現しています。障害フラグを追加するメリットは、オープンLED、短絡LED、またはサーマルシャットダウン状態の表示があります。LEDコントローラには、アナログとデジタル両方のPWM調光が搭載されており、200Hzの調光周波数での内蔵アナログPWM調光があります。
このデバイスには、LED電流の高速立ち上がり・立ち下がりエッジが必須のPWM調光アプリケーションを対象としたハイサイドPチャンネル調光MOSFETドライバが統合されています。また、MAX25600には、堅牢な出力オープンおよびショート保護があり、AEC認定で、車載アプリケーションに適しています。
特徴
- 集積化によって高輝度LEDドライバのBOMが最小限に抑えられ、スペースの節約とコストの削減を実現
- 5V~60Vの広い入力電圧範囲
- Hブリッジ・シングルインダクタ・バックブースト・アーキテクチャ
- 定電流と定電圧安定化
- EPパッド付28ピンTSSOP、EPパッド付28ピン (5mm x 5mm) TQFNの各パッケージ
- 高コントラスト比を実現できる広い調光比
- アナログおよびPWM調光
- 拡散スペクトラムを用いたフリッカーフリーPWM調光
- 統合pMOS調光FETゲートドライバ
- 200Hzの内部ランプによってPWM調光を簡素化
- 保護機能および広い温度範囲によってシステムの信頼性が向上
- 短絡、過電圧、および温度保護
- LED電流モニタと入力電流リミッタ
- 動作接合部温度範囲: -40°C~+125°C
- 車載対応: AEC-Q100認定済
アプリケーション
- 車載エクステリア照明
- 一般的な照明
- 商業照明
- 工業用照明
簡略化アプリケーション回路
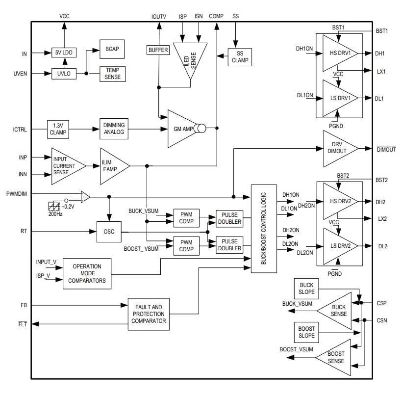
ブロック図
公開: 2019-06-28
| 更新済み: 2023-04-17
