ACFL-3161フォトカプラは、ピーク時の大駆動電流を活用して設計されており、さまざまなアプリケーションでのSiCMOSFETまたはIGBTの直接駆動に最適な性能を確保できます。また、高速伝搬遅延および厳格なデッドタイム歪みをサポートしているため、高周波でのSiC MOSFETおよびIGBTの駆動に最適です。
特徴
- –40°C~+125°C産業温度範囲
- 10Aピーク時大出力駆動電流
- レール間の出力電圧
- 95ns(最大)伝播遅延
- 35ns(最大)デッドタイム歪み
- 15V~30Vワイド動作温度電源(VDD)範囲
- ヒステリシスを有する低電圧ロックアウト(UVLO)保護
- ブートストラップ・ハーフブリッジ・トポロジを可能にするIDD = 4mA(最大)小供給電流
- 100kV/μs @ VCM = 1000Vコモンモード過渡耐性(CMTI)
- 高ノイズ耐性
- 低入力インピーダンスと低ノイズ感度による低ダイレクトLED入力
- SO-12パッケージ(8mm沿面距離とクリアランス)に収められたシングルチャンネル
- 規制認可:
- UL1577 5k Vrms(1分間)
- CAN/CSA-C22.2 No. 62368-1
- IEC 60747-5-5VIORM = 1230VPEAK
アプリケーション
- 産業オートメーションとロボティクスのモータードライブ
- 電源とチャージャー
- 再生可能エネルギーインバータと貯蔵
ビデオ
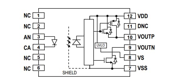
機能図
公開: 2021-11-03
| 更新済み: 2022-10-25

