CITEL DS230S DIN Rail DC Power Surge Suppressors
CITEL DS230S DIN Rail DC Power Surge Suppressors are designed to be installed inside of an enclosure and in very close proximity to the sensitive equipment that is being protected. These devices are IEC Type 2 DC surge protectors available in either 48VDC or 75VDC and are wired in series or parallel with the load. The DS230S devices also offer MOV technology with common-mode protection.Features
- MOV technology
- Common mode protection
- Symmetrical 35mm DIN rail mounting
- Disconnection via fuse-link fail-safe behavior
- Visual indicator and remote contacts
- IP20 protection, NEMA 2
- IEC 61643-11, EN 61643-11, UL1449 ed.4 complinant
- RoHS compliant
Specifications
- SPD Type 2
- 20A maximum load current
- Discharge current
- 30kA maximum discharge current
- 60kA total maximum
- 48V or 75V power rating options
- -30°C to +85°C operating temperature range
- Thermoplastic UL94V-0 housing material
- 0.30lbs (0.111kg) in weight
- Screw terminal network connection, 1.5mm2 to 10mm2 active wires and 2.5mm2 to 25mm2 ground
- 2W+G network configuration
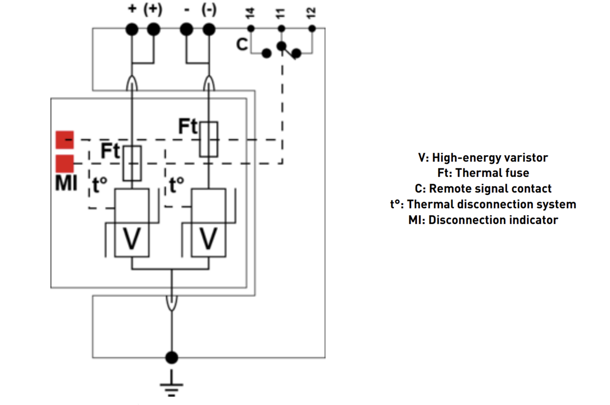
Schematic
Videos
View Results ( 2 ) Page
| 部品番号 | データシート | 説明 |
|---|---|---|
| DS230S-48DC | ![]() |
産業用サージ・プロテクタ Din Rail DC Power Surge Suppressor, 48Vdc, 30kA 8/20us |
| DS230S-75DC | ![]() |
産業用サージ・プロテクタ Din Rail DC Power Surge Suppressor, 75Vdc, 30kA 8/20us |
公開: 2021-04-20
| 更新済み: 2022-03-11

