Diodes Incorporated AP3304AマルチモードPWMコントローラ
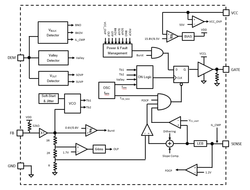
Diodes Incorporated AP3304AマルチモードPWMコントローラは、高性能・低スタンバイ電力の費用対効果が高いオフラインフライバックコンバータを搭載した、ピーク電流制御CCM+ QR PWMコントローラです。AP3304は、スタンバイ電力消費を最小限に抑え可聴ノイズを回避するために、23kHzスイッチング周波数、軽負荷でのバーストモードで動作します。負荷が上昇するとAP3304はの周波数フォールドバック機能でQRモードに入り、システムの効率性とEMI性能が向上します。デバイスがQRモードになっていると、最大スイッチング周波数クランプが100kHzになり、スイッチング電力損失が低減されます。AP3304Aスイッチング周波数は、電力変換効率を最適化するために負荷が固定スイッチング周波数80kHzでCCMに入るまで増加するため、下がります。さらに、EMI放射を低減させるために、周波数ディザリング機能が内蔵されています。内部区分線形ライン補償により、ユニバーサルライン電圧範囲全体にわたって定出力電力制限を行うことができます。Diodes AP3304AマルチモードPWMコントローラには、電圧低下保護、サイクル毎の電流制限、VCC過電圧保護(VOVP)、二次側出力OVP(SOVP)とUVP(SUVP)、内部OTP、過負荷保護(OLP)、ピンの障害保護といった包括的な保護機能が含まれています。
特徴
- スタートアップ電流が極めて小さい
- CCM+QRを活用したマルチモード制御
- スタートアッププロセス時のソフトスタート
- 高平均効率を実現する周波数フォールドバック
- 定過電流保護
- FOCPと二次巻線短絡保護
- 周波数ディザリングによってEMIを低減
- 有用なピン障害保護:
- SENSEピン浮動
- FB/オプトカプラ開/ショート
- 包括的なシステム保護機能:
- VCC過電圧保護(VOVP)
- 過負荷保護(OLP)
- ブラウンアウト保護(BNO)
- 二次側OVP(SOVP)とUVP(SUVP)
- 小型サイズのSOT26パッケージ(Type A1)
- 完全にリードフリー、RoHSに完全準拠
- ハロゲンおよびアンチモンフリー「グリーン」デバイス
アプリケーション
- スイッチングAC-DCアダプタ/充電器
- ATX/BTX補助電力
- セットトップボックス(STB)電源
- オープンフレームスイッチング電源
標準アプリケーション回路
ブロック図
公開: 2022-04-20
| 更新済み: 2022-10-25
