Diodes Incorporated PI3A3160C SPDT Analog Switch
Diodes Incorporated PI3A3160C SPDT Analog Switch is a single-pole, double-throw (SPDT) CMOS switch with a typical on-resistance of 8Ω at 3.3V. This 250MHz bandwidth device can be used as an analog or low-delay bus switch and has a -40°C to +85°C temperature range. Diodes Incorporated PI3A3160C is RoHS compliant, lead free, halogen free, and antimony free. Applications include cell phones, battery-powered communications, and computer peripherals.Features
- CMOS technology for bus and analog applications
- 8Ω at 3.0V on-resistance
- 1.65V to 5.5V VDD range
- Rail-to-rail signal range
- 5.5V min. control input overvoltage tolerance
- 5.2ns max. at 5V transition speed
- 57dB at 10MHz off isolation
- 54dB (10MHz) crosstalk rejection reduces signal distortion
- Break-before-make switching
- 250MHz bandwidth
- -40°C to +85°C temperature range
- RoHS compliant
- Lead free, halogen free, and antimony free
- 6-pin SC70 (C) packaging
Applications
- Cell Phones
- PDAs
- Portable instrumentation
- Battery powered communications
- Computer peripherals
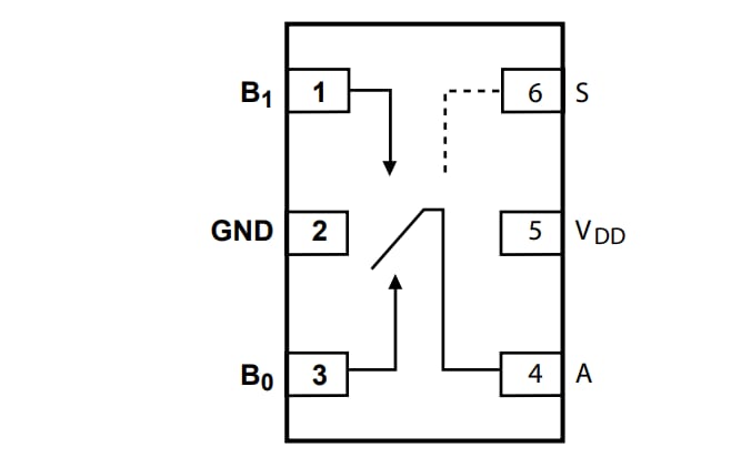
Connection Diagram
公開: 2008-02-21
| 更新済み: 2022-03-11
