Vishay Semiconductors VCNL36825T-SBセンサ・ボード

Vishay Semiconductors VCNL36825T-SBセンサボードは、Vishayの高度VCNL36825T近接センサが特徴で、光学距離検出および周囲光測定において比類のない精度を実現しています。このコンパクトなセンサボードは、スタンドアロンでの使用とSensorXplorer™デモプラットフォームへの統合での使用の両方に最適です。VCNL36825T-SBは、光近接センシング、周囲光測定、割り込み制御、I2C通信を含む豊富な機能セットをユーザーに対して提供しています。このセンサボードは、迅速なプロトタイピングとスペースに敏感な高精度設計への統合に最適です。

特徴

  • 垂直キャビティ表面放射レーザー(VCSEL)およびフォトダイオードが組み込まれているVCNL36825Tチップが活用されており、信頼性の高い距離および光レベル検出を目的としたプログラマブル割込とI2C通信に対応
  • SensorXplorerのUSB-to-I2Cインターフェースと互換性があり、GUIベースのツールでセンサの性能と構成を評価するための、すぐに使用できるソフトウェアモジュールを搭載
  • さまざまな設定下で性能を探索するためにSensorXplorerソフトウェアを介して構成可能で、データキャプチャ用のシームレスなPC接続が可能
  • スタンドアロン使用可能

アプリケーション

  • 真のワイヤレスステレオ (TWS) イヤフォン
  • スマートフォンとモバイルデバイス
  • ハンドヘルドデバイス
  • 産業/電力

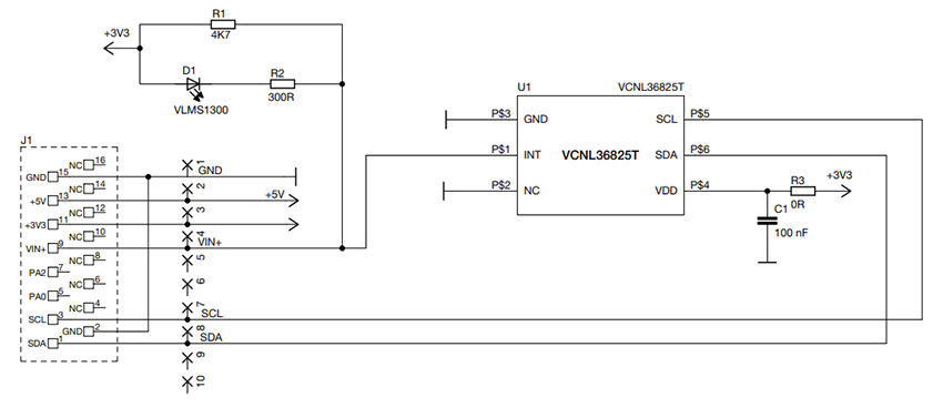
回路図

回路図 - Vishay Semiconductors VCNL36825T-SBセンサ・ボード
公開: 2025-10-28 | 更新済み: 2026-02-06