Infineon Technologies TLE8718SAスマート18チャンネル・ローサイドスイッチ
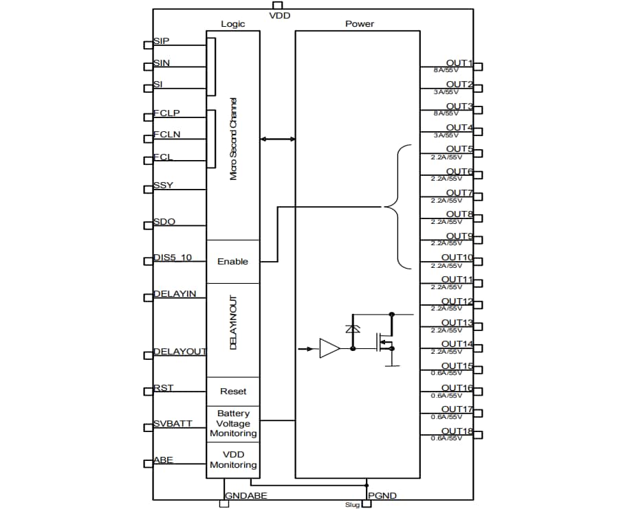
Infineon Technologies TLE8718SAスマート18チャンネル・ローサイドスイッチは、パワートレイン・アプリケーション向けに設計されている高度ローサイドスイッチです。TLE8718SA ICには、マイクロ秒チャンネル(MSC)通信インターフェイスが搭載されており、高速制御と診断を目的としています。すべてのチャンネルは、過電流/温度に対して保護されており、アクティブ・クランピング回路で強化されていて、誘導負荷の駆動を目的としています。負荷状態検出は、GNDに対する短絡(SCG)、オープン負荷(OL)、バッテリに対する短絡(SCB)を対象としたMSC全体で可能です。特徴
- 23MHzマイクロ秒チャネル
- 2x低電圧動作チャンネル(メインリレー)
- アクティブ・クランピング
- 供給電圧モニタリング
- 双方向リセットピン(ABE)
- インジェクタ専用に遅延を無効化(DIS5_10)
- SCG、OL、SCBの診断
- 選択可能な過電流保護(I-limit/スイッチ-オフ)
- 短絡保護(最大36V)
- バッテリ過電圧保護
- 過熱保護
- 過温度警告
- 静電放電保護(ESD)
- 低電流スタンバイモード(スタンバイ)
- 環境配慮型製品(RoHS準拠)
- AEC認定
アプリケーション
- エンジン管理
- 抵抗性負荷の駆動(酸素センサヒーター、ランプ)
- 誘導負荷駆動(ソレノイド、噴射、バルブ、リレー)
- LEDの駆動
- メイン/スターターリレー
- 工業用途
ブロック図
公開: 2018-06-19
| 更新済み: 2022-08-08
