IXYS XPT™ GenX5™ Trench IGBT
IXYS XPT™ GenX4™ Trench IGBTは、独自のXPT薄ウエハー技術および最先端の第4世代(GenX4™)Trench IGBTプロセスを使用して開発されています。これらの絶縁型ゲート・バイポーラ・トランジスタは、熱抵抗の削減、エネルギー損失の低減、高速スイッチング、小テール電流、大電流密度が特徴です。 XPT GenX5 Trench IGBTは、650Vの破壊電圧に応じたスクエア逆バイアス安全動作領域(RBSOA)も提供するため、スナバレス・ハードスイッチング・アプリケーションに最適です。また、これらのIGBTには、正のコレクタ-エミッタ電圧温度係数も含まれており、設計者は大電流要件を満たすために複数のデバイスを並列に使用できます。これらのデバイスの低ゲート電荷は、ゲートドライブ要件とスイッチング損失の削減に役立ちます。IXYS XPT GenX5 Trench IGBTは、-55℃~+ 175℃の広い接合部温度範囲が備わったTO-220-3(IXYP60N65A5)およびTO-247-3(IXYH90N65A5、IXYH120N65A5)パッケージでご用意があります。
特徴
- 低VCE(sat)、低Eon/Eoff
- 低周波数、高電流スイッチング用に最適化
- 高サージ電流能力
- スクエア逆バイアス安全動作領域(RBSOA)
- VCE(sat)の正熱係数
- 低ゲートドライブ要件
- 国際規格パッケージ
アプリケーション
- パワーインバータ
- UPS
- モータドライブ
- SMPS
- PFC回路
- バッテリ充電器
- 溶接機器
- ランプバラスト
仕様
- コレクタエミッタ電圧 (VCES): 650V
- コレクタ‐エミッタ飽和電圧(VCE(sat)): 1.35V
- 25°Cでのコレクタ電流 (IC25)
- IXYP60N65A5: 134A
- IXYH90N65A5: 220A
- IXYH120N65A5: 290A
- 110℃(IC110)でのコレクタ電流
- IXYP60N65A5: 60A
- IXYH90N65A5: 90A
- IXYH120N65A5: 120A
- 電流下降時間(tfi(標準))
- IXYP60N65A5: 110ns
- IXYH90N65A5: 160ns
- IXYH120N65A5: 160ns
- 接合部温度範囲(TJ): -55°C~+175°C
- パッケージ
- IXYP60N65A5: TO-220-3
- IXYH90N65A5: TO-247-3
- IXYH120N65A5: TO-247-3
ピン指定
TO-220-3 パッケージの外形
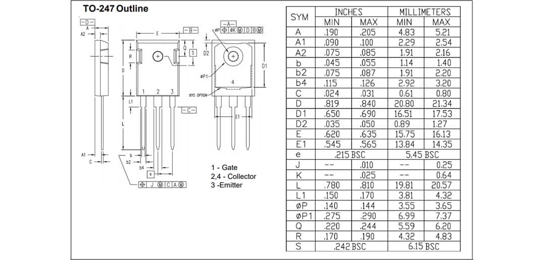
TO-247-3パッケージの外形
View Results ( 3 ) Page
| 部品番号 | データシート | コレクタ - エミッタ飽和電圧 | 25 Cでのコレクターの直流 | Pd - 電力損失 |
|---|---|---|---|---|
| IXYH90N65A5 | ![]() |
1.35 V | 220 A | 650 W |
| IXYH120N65A5 | ![]() |
1.35 V | 290 A | 830 W |
| IXYP60N65A5 | ![]() |
1.35 V | 134 A | 395 W |
公開: 2021-09-09
| 更新済み: 2022-03-11

