Microchip Technology MCP19116/MCP19117アナログ電流コントローラ
Microchip MCP19116/MCP19117アナログ電流コントローラは、中電圧 (4.5-42V) アナログベースのPWMコントローラで、統合8ビットPIC™マイクロコントローラが搭載されています。この独自の製品ファミリは、高効率かつ高速の過渡応答を含む高速アナログ・ソリューションの性能を、デジタル・ソリューションのコンフィギュレーション能力および通信インターフェイスと合体させています。このような種類のソリューション同士を合体させることで、各テクノロジの強みを最大限に活用して、よりコスト効果が高く、コンフィグレーションが可能な、高性能電力変換ソリューションを作り出す新たなデバイス・ファミリが出来上がります。これらの製品を使用すると、最小限の外付け部品でターゲットアプリケーションを対象に完璧に構成できる、柔軟性に富んだ電源の開発が可能になります。また、システム内の測定または事象に対して動的に応答するようにプログラミングできます。これは、動作を環境に合わせて動的にカスタマイズするか、堅牢な動作のために障害にインテリジェントに対応することによって行われます。MCP19116/MCP19117は、MCP19114およびMCP19115と酷似していますが、キャリブレーション機能が追加で搭載されており、正確性と測定の向上を目的としています。また、デバイス内に追加コードを保存するための、さらに大きなフラッシュメモリが装備されています。MCP19117は、当社のMCP19116と機能の面で同等ですが、MCP19117のほうがGPIOの数が多く、デバッギングインターフェイスも搭載されています。MCP19116/MCP19117ハードウェアとソフトウェア開発ツールは、ユーザーのブーストおよびバック/ブースト電源設計の開発と評価における、便利でパワフルな開発プラットフォームを実現しています。
特徴
- すべてのライン、負荷、システムバリエーションを含めて温度全体で振動5%未満の電流安定化精度
- 広い動作範囲全域で動的に調整可能な出力電流
- 幅広い動作電圧範囲: 4.5~42V
- アナログピーク電流モードのパルス幅変調(PWM)制御
- 8ビットPIC®マイクロコントローラ内蔵
- 重要な構成可能性: 調整できる出力電圧、出力電流、MOSFETデッドタイム、最先端のブランキング時間、熱応答、スロープ補償、過電流保護、過電圧および不足電圧ロックアウトレベル
- 利用可能な固定周波数または擬似共振モード動作、31kHz~2MHzの間で調整可能
- I2C通信インターフェイス
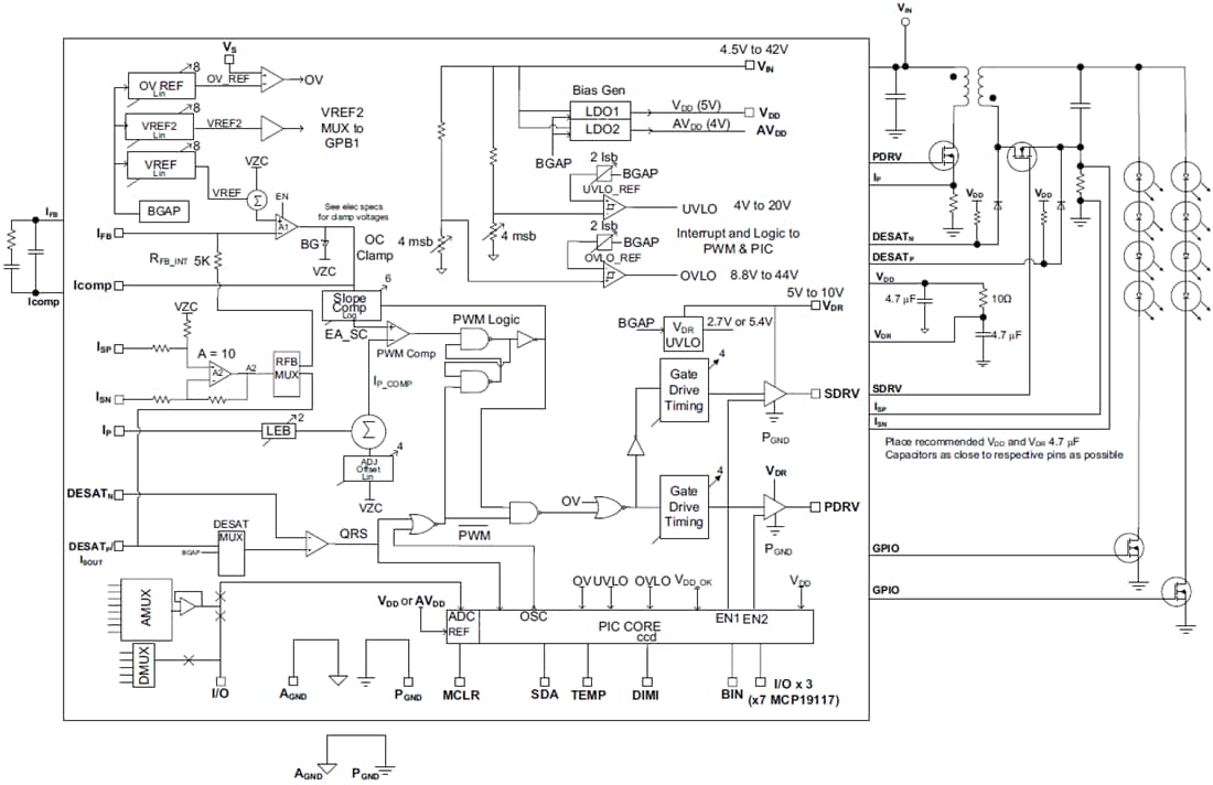
ブロック図
公開: 2019-07-31
| 更新済み: 2023-06-05
