Microchip Technology USB2534D USB 2.0 高速4ポートハブコントローラ
Microchip Technology USB2534D USB 2.0 高速4ポートハブコントローラは、OEM構成可能MTT(マルチトランザクショントランスレータ)で、Intel Thunderboltおよび組み込みUSBアプリケーションを対象とした高度機能が搭載されています。USB2534Dは、USB 2.0仕様およびUSB 2.0リンク電源管理付録に完全に準拠しており、フルスピードハブまたはフル/ハイスピードハブとしてアップストリームポートに接続します。4ポートハブは、有効なダウンストリームポートすべてで全速、低速、高速(高速ハブとして動作する場合)のダウンストリームデバイスをサポートしています。Microchip USB2534Dは、高性能と最小限のBOMコストが重要な設計条件となる組み込みシステム用に特別に最適化されています。さらに、D +およびD-ピンでのすべてのシリーズ終端およびプルアップ/プルダウンレジスタを含めて、USBポートに必要なすべてのレジスタがハブに統合されています。
USB2534Dは、アップストリームバッテリ充電器検出とダウンストリームバッテリ充電の両方を促進します。USB2534D集積バッテリ充電器検出回路には、USB-IFバッテリ充電(BC1.2)検出方式および大半のApple® デバイスが実装されています。これらの回路は、USB充電器の添付とタイプを検出し、シリアルインターフェイスを介してデバイスのステータスレジスタから充電器情報を読み取ることができることを示す割り込み出力を供給します。
特徴
- 4-Port USB 2.0 Hubコントローラ(Intel Thunderboltアプリケーション用)
- アップストリームおよびダウンストリームポート(DCP、CDP、SDP)でサポートするUSB-IFバッテリ充電器仕様Revision 1.2
- Appleデバイスのバッテリ充電サポート
- FlexConnect:ダウンストリームポート1はアップストリームポートとスワップ可能で、マスタ対応デバイスがハブ上の他のデバイスを制御可能
- USB to I²C™ブリッジ・エンドポイント・サポート
- USBリンク・パワーマネジメント(LPM)サポート
- ホストへのリモート・ウェイクアップ表示用のサスペンド・ピン
- ベンダー固有のメッセージング(VSM)サポート
- 単一のシリアルI2C EEPROM、OTP、またはSMBusスレーブポートから利用できる強化されたOEM構成オプション
- 36ピン(6mm x 6mm)SQFN、RoHS準拠パッケージ
- USB2514B とのフットプリント互換性あり
アプリケーション
- ドックとモニタ
- LCDモニタ、TV
- マルチ機能USB周辺機器
- PCのマザーボード
- 組込みシステム
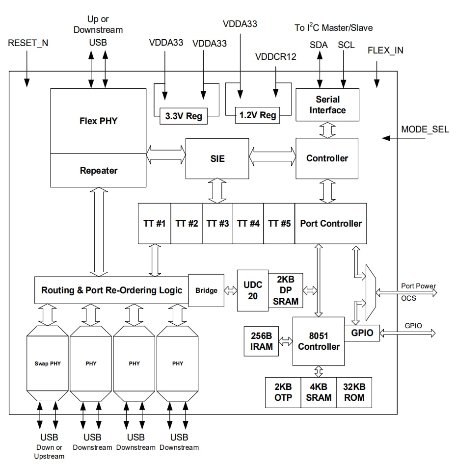
ブロック図
公開: 2025-03-28
| 更新済み: 2025-04-08
