特徴
- 低電圧アプリケーション用に最適化: 1.0V~5.5V
- VCC=2.7VおよびVCC=3.6V間のTTL入力レベルを受入
- 一般的な出力グランド・バウンス:
- 一般的な高レベル出力電圧(VOH)アンダーシュート: >2V@VCC=3.3VおよびTamb=25°C
- アクティブ「ハイ」またはアクティブ「ロー」入力からトリガされたDC
- 最大100%のデューティファクタのための非常に長いパルス向けに再トリガ可能
- ダイレクトリセットによって出力パルスを終了
- リセット入力を除くすべての入力でのシュミットトリガアクション
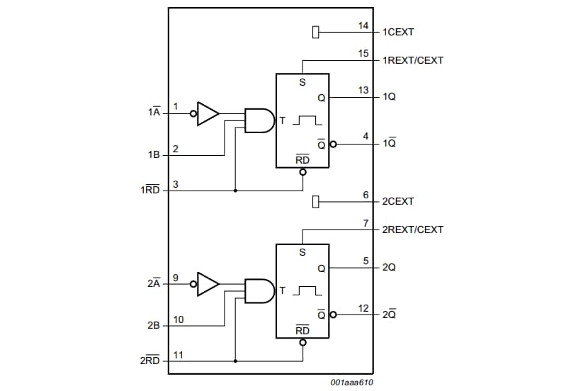
ブロック図
公開: 2016-03-24
| 更新済み: 2022-03-11

