Nidec Components WL10 Liquid Leak Sensors
Nidec Components WL10 Liquid Leak Sensors can detect leakage without a douser and additional amplifying circuit. The WL10 sensors include an LED and a partial discharge (PD) detector inside. The light emitted from the LED is reflected by the prism, received by the PD, and converted to current. Nidec WL10 Liquid Leak Sensors feature PFA casing available for detecting leakage of corrosive liquid and are operable in various areas by unique optical technology. This optical technology does not require a douser and detects liquid leakage with high precision and quickness. The liquid leak sensors operate from 12VDC to 24VDC supply voltage range and -10°C to +60°C temperature range. Typical applications include semiconductor production lines, industrial equipment, pneumatic equipment, medical devices, analyzers, and data centers.Features
- Low effects at the detection point
- High-precision
- Shae plate not needed
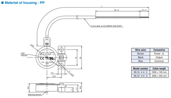
- Compact and slim size (φ25mm and t=10mm)
- Lead-free soldering
- PFA casing is available for detecting leakage of corrosive liquid
- Detects leakage without a douser and additional amplifying circuit
- Infrared ray reflection detecting method
Specifications
- 12VDC to 24VDC supply voltage range
- 10mA consumption current
- -10°C to +60°C operating temperature range
- -20°C to +70°C storage temperature range
- 35% to 85% operating humidity
- PP/PFA housing material
- NPN
- 30VDC voltage endurance
- 50mA maximum sink current
- PNP
- 24VDC voltage endurance
- 50mA maximum sourced current
Applications
Detection Principle
Additional Resource
公開: 2020-05-29
| 更新済み: 2024-06-20
