特徴
- 強制CCM
- VIN :4.7V ~ 16V
- VOUT = 0.6V ~ 0.80 * VIN および最大12V
- 集積パワーMOSFET
- 最大8Aまでの出力電流
- 統合5V LDO
- プログラマブルスイッチング周波数300kHz~1.2MHz
- ハイサイドとローサイドの両方のOCP動作
- ヒカップ過電流保護
- ヒカップ低電圧保護と過電圧保護
- 回復可能なサーマルシャットダウン保護
- 3.5mm x 3.5mm、FCQFN18 パッケージ
- プリバイアス出力電圧への安全な起動に対応
アプリケーション
- 基地局無線ユニット
- 負荷変換ポイント
- テレコムとネットワーキング
- サーバーおよびストレージシステム
標準アプリケーション回路
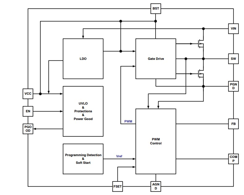
機能ブロック図
公開: 2021-08-09
| 更新済み: 2024-01-04

