onsemi NVMFS5830NLシングルNチャンネルパワーMOSFET
onsemi NVMFS5830NLシングルNチャネルパワーMOSFETは、要求の厳しい電源管理アプリケーション向けに設計された高効率パワーMOSFETです。高度なトレンチ技術を採用しているonsemi NVMFS5830NLは極めて低いRDS(on) 性能(VGS = 10Vで2.3mΩ)を実現しており、このMOSFETは大電流システムでの伝導損失の最小化に貢献します。5mmx6mmx1mmの フラットリードSO-8FLパッケージは、熱性能と基板スペース効率性を強化し、低ゲート充電と高速スイッチングにより、システム全体の効率性を改善されています。強化された光学検査用にウェッタブルフランクオプションを利用できます。高電流機能、低スイッチング損失、コンパクトな薄型フットプリントが組み合わされており、モーター制御アプリケーションとハイサイド/ローサイドスイッチでの使用によく適しています。特徴
- コンパクト設計のための小型フットプリント5mm x 6mm
- 伝導損失を最小限に抑える低RDS(on)
- 低ドライバ QGおよび小型静電容量で省スペース化
- DFN5 (SO-8FL) ケース 488AA Style1パッケージ、ウェッタブルフランク
- AEC-Q101認定およびPPAP対応
- リードフリー、ハロゲンフリー、RoHS準拠
アプリケーション
- モーター制御
- ハイサイド/ローサイド負荷 スイッチ
仕様
- 最大ドレイン-ソース電圧:40V
- 最大ゲート・ソース間電圧 ±20V
- 最大パルスドレイン電流:1012A
- 最大シングルパルスドレイン-ソースアバランシェエネルギー :361mJ
- オフ特性
- 最小ドレイン-ソース間破壊電圧:40V
- 32mV/°C (標準)ドレイン-ソース破壊電圧 温度係数間
- 1µA (@ +25°) ~ 100µA (@ +125°C) ドレイン電流 範囲最大電圧 ゲートゼロ
- ± 100nA (最大)ゲート-ソースリーク電流間
- On特性
- ゲート閾値電圧範囲 : 1.4V ~ 2.4V
- 7.2mV/°C標準負の温度係数閾値
- 2.3mΩ (@ 10V) ~ 3.6mΩ (@ 4.5V) (@)最大ドレイン-ソースオン抵抗
- 38Sの標準順フォワードトランスコンダクタンス電圧
- 標準静電容量
- 5,880pF入力
- 750pF 出力
- 500pF逆方向転送
- チャージ
- 58nC ~ 113nC (標準) ゲート充電
- 5.5nC 標準閾値ゲート充電
- 19.5nC (標準)ゲート-ソース充電
- 標準32nCゲート-ドレイン充電
- 3.6V (標準) 電圧プラトー
- 標準スイッチング特性
- 22nsターンオン遅延時間
- 立ち上がり時間 32ns
- 40nsターンオフ遅延時間
- 27ns 下降時間
- ドレイン-ソースのダイオード特性
- 1.0V最大ダイオード順電圧
- 標準的な逆回復時間 41ns
- 19ns標準充電/放電時間
- 33nC標準逆回復充電
- 最大熱抵抗
- 1.0°C/W 定常状態 接合部対取付ボード
- 39°C/W接合部-周囲、定常状態
- +260°Cの最大リードハンダ付け温度
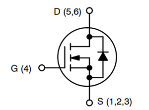
回路図
公開: 2025-11-04
| 更新済み: 2025-11-19
