Power Integrations BridgeSwitch™ファミリ
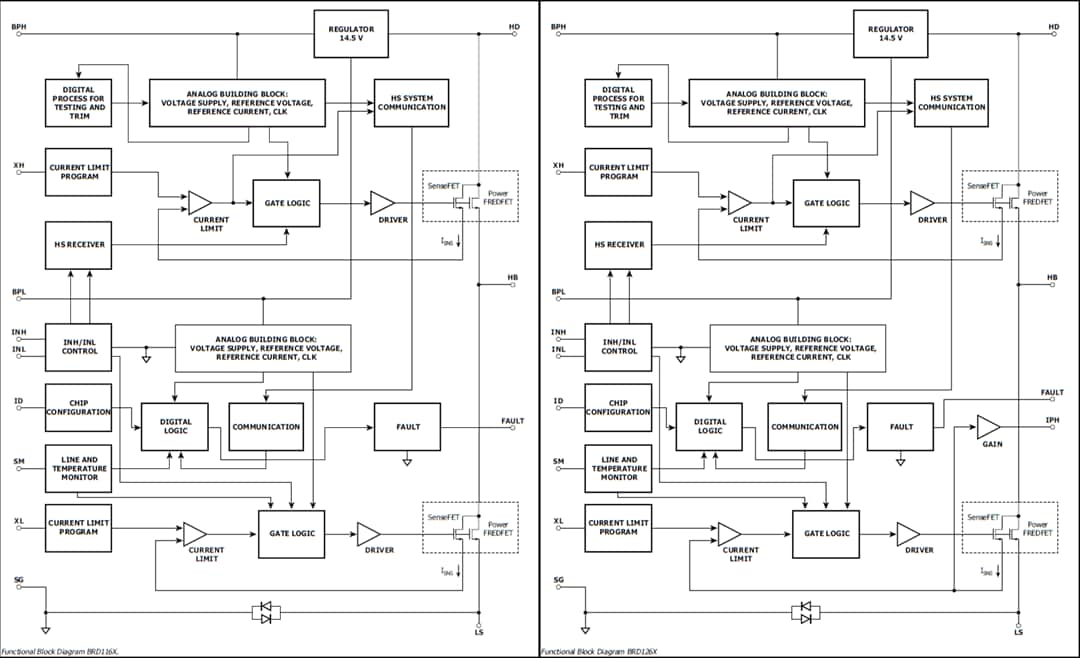
Power Integrations BridgeSwitchファミリは、高電圧、自己給電式、統合型ハーフブリッジ(IHB)モータードライバです。BridgeSwitchファミリは、高電圧インバータ駆動の1相または3相PMまたはBLDCモータードライブの開発と生産を大幅に簡素化します。これらのモータードライブには、高圧NチャンネルパワーFREDFET 2台が組み込まれており、ローサイドおよびハイサイドドライバが搭載されていて、単一のスモールアウトラインパッケージに収められています。内部パワーFREDFETには、超ソフトおよび超高速ダイオードが備わっており、ハード・スイッチド・インバータ・ドライブに最適です。両方のドライバは自給電源で、外部補助電源が不要です。BridgeSwitchは、独自の瞬時位相電流出力信号を提供しており、センサレス制御スキームの実装を簡素化します。この薄型でコンパクトなフットプリントの表面実装パッケージには、拡張沿面距離が備わっており、プリント回路基板を介した両方のパワーFREDFETのヒートシンクが可能になります。特徴
- 最高の性能と設計の柔軟性:
- 完全に統合されたハーフブリッジ段で、最大99.2%の効率性あり:
- 定格連続RMS電流での外部ヒートシンクを排除
- 600V NチャンネルパワーFREDFET:
- 超ソフトで高速のリカバリダイオード
- 正確な瞬時位相電流情報出力(BRD126X):
- 外部センシングと増幅回路を排除
- 自己バイアス低圧側および高圧側ドライバ:
- 補助電源の必要性を排除
- SOP-24Cパッケージに収められた小型フットプリント表面実装:
- PCBを介したヒートシンクが可能な露出パッド
- 制御されたFREDFETスイッチング速度によってEMIを低減
- 完全に統合されたハーフブリッジ段で、最大99.2%の効率性あり:
- 向上した安全性と信頼性
- 両方のFREDFETを対象とした調整式サイクルバイサイクル電流制限:
- フェイルセーフ動作
- 内部デュアルサーマル過負荷保護
- 自己設定システムレベル監視入力:
- 4レベルDCバス低電圧
- DCバス過電圧
- システム温度
- 適応型デッドタイム
- 同時導通ロックアウト保護
- 両方のFREDFETを対象とした調整式サイクルバイサイクル電流制限:
- ステータス・インターフェイス:
- 双方向バスオープンドレイン単線インターフェイス
- システムMCUへのステータス更新を報告:
- 電源投入の成功
- 内部過電流または温度障害
- システムレベルの障害
- デバイス識別を含む
- システムMCUを介したステータスクエリ
- システムMCUを介したデバイス障害リセット
アプリケーション
- 1相または3相の高電圧PMおよびBLDCモータードライブ
- 最高400Wまでの標準インバータ出力電力
- 食器洗浄機や冷蔵庫などの機器
- 高効率エアコンのコンデンサ・ファン
三相インバータ図
機能ブロック図
ビデオ
その他の資料
公開: 2019-02-05
| 更新済み: 2025-01-27
