Qorvo CMD307P3 8GHz~16GHz低ノイズアンプ

Qorvo CMD307P3 8GHz~16GHz低ノイズアンプは、ブロードバンドMMICで、リードレス3mm x 3mmプラスチック表面実装パッケージに格納されています。Qorvo CMD307P3は、小型サイズと低電力消費が必要になる通信システムに最適です。デバイスは、8GHz〜16GHzで動作し、対応する出力1dB圧縮ポイント+12dBmおよび雑音指数2dBで17dBを超えるゲインを供給します。CMD307P3は、50Ω にマッチングされている設計で、外部DCブロックとRFポートのマッチングが不要です。

特徴

  • 低ノイズ値
  • 低消費電流
  • 正の単電源電圧
  • 無鉛RoHs準拠
  • 3mm x 3mm QFNパッケージ

アプリケーション

  • Electronic Warfare(EW)
  • レーダー
    • Xバンド
    • Kuバンド
  • 宇宙
  • 衛星通信(Satcom)
  • 位相アレイ

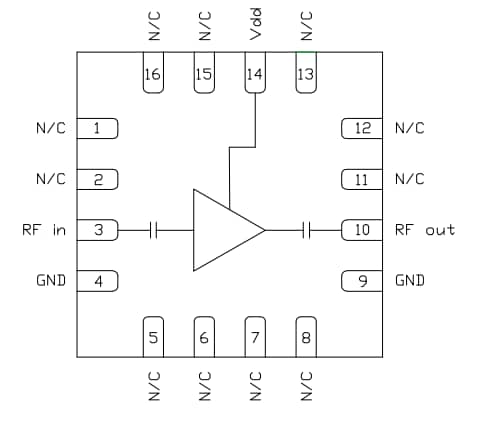
ブロック図

ブロック図 - Qorvo CMD307P3 8GHz~16GHz低ノイズアンプ
公開: 2020-03-24 | 更新済み: 2024-08-20