ICL3221Eは、オンチップ電源とドライバ回路をパワーダウンさせる自動パワーダウン機能が特徴です。パワーダウンは、接続されている周辺機器がシャットダウンされているか、RS-232ケーブルが取り外されていると発生し、ハードウェアまたはオペレーティングシステムに変更を加えずにシステムの電源を自動的に節約します。これらのデバイスは、有効なRS-232電圧が任意の受信機入力に印加されると再びパワーアップします。
特徴
- ±15kVまでのRS-232 I/OピンのためのESD保護(IEC61000)
- MAX3221Eのドロップイン交換
- 低電力、ピン互換アップグレード
- VCC=2.7Vとの互換性があるRS-232
- 3VでEIA/TIA-232およびV.28/V.24仕様に適合
- ラッチアップフリー
- VCC=3.3Vで4つの外部0.1µFコンデンサのみ必要となるオンチップ電圧コンバータ
- 手動および自動パワーダウン機能
- ノイズ耐性の改善を目的とした受信機ヒステリシス
- 250kbps保証最小データレート
- +3V~+5.5Vワイド電源範囲
- パワーダウン状態で1µAという低供給電流
- 無鉛(RoHS準拠)
アプリケーション
- RS-232通信ポートを必要とするあらゆるシステム
- バッテリ駆動、ハンドヘルド、ポータブル機器
- ラップトップPC、ノートPC
- モデム、プリンタ、その他の周辺機器
- デジタルカメラ
- セルラー/携帯電話
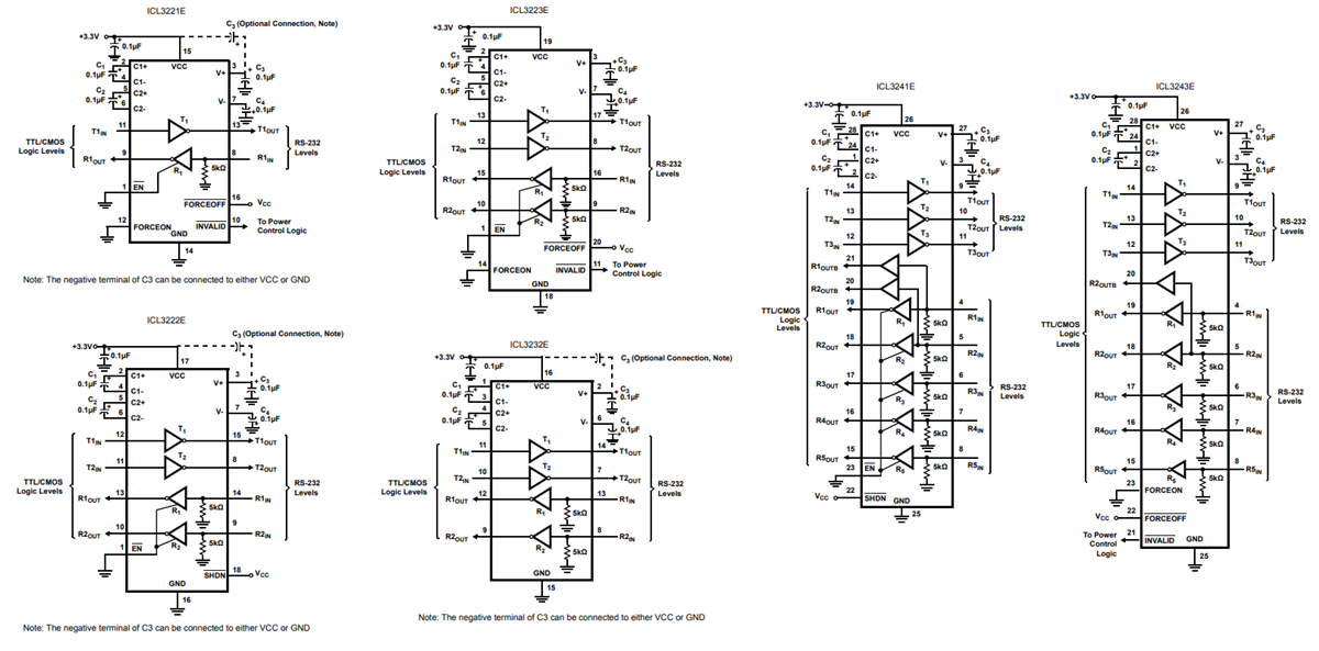
標準の操作回路
関連コンテンツ
公開: 2020-03-17
| 更新済み: 2024-07-09

