さらに、ISL68239にはAVSBusが搭載されており、コントローラと負荷の間のポイント・ツー・ポイント通信を加速できる共通の高速インターフェイスを供給することによってPMBusを補完し、プロセッサ電圧を統計的かつ動的に制御し、バランスのとれた電力効率に優れた設計を実現しています。
Renesas ISL68239には、Renesas独自のデジタル合成電流変調方式が採用されており、負荷範囲全体で過渡応答、調整のしやすさ、効率性の最も適切な組み合わせに到達できます。ダイオードエミュレーションおよび自動位相追加/ドロップ機能によって、負荷状態に関係なくコンバータからの最大限の効率性が可能になります。直感的なPowerNavigator™ソフトウェアを使用して、デバイスを構成および監視できます。
特徴
- 先進的なリニアデジタル変調方式
- 優れた負荷対効率プロファイルのためのPFMモードによる自動位相の加算/ドロップ
- さらなる高速過渡応答のためのオプションのダイオードブレーキが備わったデュアルエッジ変調
- 優れたVOUT 遷移性能
- 優れた高周波電流バランスのためのゼロ遅延合成電流制御
- 1出力あたり0~12相の柔軟性に富んだ位相割当
- 高密度設計のための最高2MHzまでのスイッチング周波数動作
- SMBus/PmBus v1.3互換
- 差動リモート電圧センシングは、負荷、ライン、温度全体で±0.5%の閉ループシステムの精度をサポート
- 優れた負荷ライン安定化と正確なOCPのための高精度電流センシング
- 全範囲のルネサス スマートパワーステージ (SPS)デバイスをサポート
- 包括的な障害管理によって、信頼性の高いシステムを実現
- パルス毎(位相あたり)および合計出力電流制限
- 最初の障害インジケータを用いたブラックボックスステータス記録機能
- PowerNavigator softwareソフトウェアを使用した直感的な構成
- デバイスの非揮発性メモリ(NVM)に格納された最大16のユーザー構成
アプリケーション
- DDRメモリソリューション
- 人工知能/アクセラレータカード(FPGA、ASIC)
- ネットワーク装置
- サーバ/ストレージ機器
- テレコム/データコム装置
- ポイントオブロード電源(メモリ、DSP、ASIC、FPGA)
仕様
- 入力電圧4.5V~18V
- 出力電圧: 0V~3.05V
- 動作温度範囲 -40~+85°C
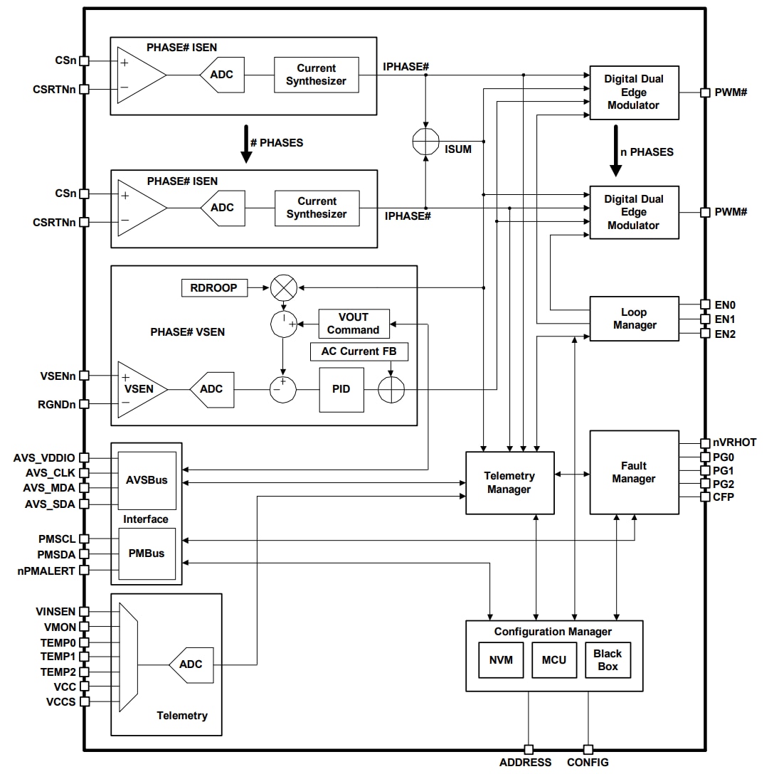
ブロック図
公開: 2025-09-15
| 更新済み: 2026-02-05

