STMicroelectronics PWD13F60ゲートドライバ
STMicroelectronics PWD13F60ゲートドライバは、高密度パワードライバおよび高電圧フルブリッジで、内蔵ゲートドライバが備わっています。PWD13F60は、広範な供給電圧を受け入れます。また、低電圧UVLO検出によって保護されています。これらのPWD13F60ゲートドライバ・パワー・システムインパッケージおよび高電圧パワーMOSFETには、320mΩの低RDSおよび600Vのドレイン-ソース間絶縁破壊電圧が備わっています。PWD13F60ゲートドライバを使用すると、入力ピンの範囲が拡張されたマイクロコントローラおよびDSPユニットまたはホール効果センサとの容易なインターフェイス接続が可能になります。また、これらのPWD13F60ゲートドライバは、広いドライバ供給電圧、内部ブートストラップダイオード、入力による同相での出力、柔軟性、容易さ、迅速な設計が特徴です。PWD13F60は、10mm x 13mm x 1.0mm VFQFPNパッケージでご用意があります。一般的なアプリケーションには、ファクトリオートメーション、モータ・ドライバ、工業および家電、ファンやポンプ、電源装置があります。特徴
- ゲートドライバと高電圧パワーMOSFETが統合されているパッケージ・ゲートドライバ
- 低RDS(on) = 320mΩ
- BVDSS = 600V
- 次の動作に適しています。
- フルブリッジ
- 2つの独立したハーフブリッジ
- 最低6.5Vの広いドライバ供給電圧
- 供給電圧でのUVLO保護
- 3.3V~15V互換入力(ステリシスおよびプルダウンあり)
- 交差伝導を防止するインターロッキング機能
- 内部ブートストラップダイオード
- 入力と同相の出力
- 非常にコンパクトで簡素なレイアウト
- 柔軟性が高く、簡単で、迅速な設計
アプリケーション
- 産業用および家電用モータドライバ
- ファクトリオートメーション
- ファンとポンプ
- HIDとバラスト
- 電源装置
- DC-DCとDC-ACコンバータ
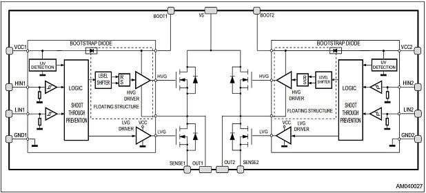
PWD13F60のブロック図
EVALPWD13F60評価ボード
公開: 2018-04-02
| 更新済み: 2023-02-01
