STMicroelectronics STEVAL-L6983IV1同期Isoバック評価ボード

STMicroelectronics STEVAL-L6983IV1評価ボードは、絶縁型アプリケーション向けL6983I、38V、10W同期型アイソバックコンバータを評価するために設計されています。この評価ボードでは、正確に調整可能なプライマリ出力電圧と、所定のトランス比によって得られる絶縁されたセカンダリ出力が特徴です。STEVAL-L6983IV1評価ボードは、規制されていない絶縁型電圧を生成し、ポストレギュレーションを使用してデュアル電圧を生成する可能性をもたらします。

特徴

  • isoバックトロポジ向けの設計
  • 4Vから38Vの動作入力電圧
  • 一次出力電圧の安定化
  • オプトカプラ不要
  • ソース/シンクピーク一次電流能力 4.5A
  • 強制PWMモードのピーク電流モードアーキテクチャ
  • ブランキング時間 390ns
  • 動作自己消費電流 25µA
  • 200kHz~1MHzプログラマブルスイッチング周波数
  • 低ESRコンデンサ最小2µFで動作が安定
  • 内部補償ネットワーク
  • シャットダウン電流: 2µA
  • 内部ソフト起動
  • イネーブル
  • 過電圧保護
  • 熱保護
  • EMCの改善によるオプションの拡散スペクトラム
  • パワーグッド
  • 外部クロックに同期
  • パッケージ QFN16 3mm x 3mm

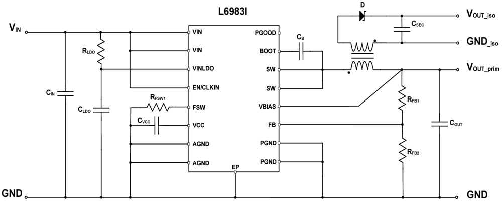
スキーム図

回路図 - STMicroelectronics STEVAL-L6983IV1同期Isoバック評価ボード

アプリケーション回路図

アプリケーション回路図 - STMicroelectronics STEVAL-L6983IV1同期Isoバック評価ボード
公開: 2023-03-28 | 更新済み: 2023-10-05