STM STGIPQ4C60T-HZ SLLIMM nano IGBTパッケージは、良好でネジ込みがさらに簡単なヒートシンクを実現するように設計されており、内蔵モーターアプリケーションあるいは組立スペースに制限がある他の低消費電力アプリケーションにおける性能とコンパクト性を最適化します。IPMには、完全ニュートラル・オペレーショナル・アンプとコンパレータが搭載されており、高速で効率的な保護回路の設計に使用できます。
特徴
- ゲート駆動とフリーホイーリング・ダイオード用の制御IC3台搭載のIPM 6A、600V、三相IGBTインバータブリッジ
- 3.3V、5V、15V TTL/CMOS入力コンパレータ(ヒステリシスあり、プルダウン/プルアップ抵抗器搭載)
- 内部ブートストラップダイオード
- 電磁妨害雑音環境に最適
- 低電圧ロックアウト
- 頑丈なTFS IGBTの短回路
- シャットダウン機能
- インターロッキング機能
- 先進的な電流検出用オペアンプ
- 過温度に対する故障保護向けコンパレータ
- 1500Vrms/分の絶縁定格
- NTC(UL 1434 CA 2および4)
- 最高±2kV ESD保護 (HBM C = 100pF、R = 1.5kΩ)
- UL認証: UL 1557、File E81734
アプリケーション
- モータ駆動用3相インバータ
- 食器洗浄機
- 洗濯機
- 冷蔵庫用コンプレッサ
- ファン
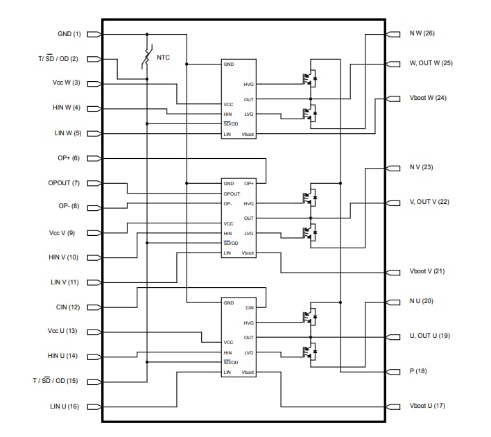
内部回路図
公開: 2021-03-08
| 更新済み: 2022-03-11

