STMicroelectronics VIPerPlus高電圧コンバータ

STMicroelectronics VIPerPlus高電圧コンバータ

STMicroelectronics VIPerPlus高電圧コンバータには、800Vアバランシェの頑丈なMOSFETと最新式のPWM回路が組み合わされています。その結果、効率的で、よりシンプルで、より迅速で、かつ部品点数を半減したより安価な、真の革新的なAC-DC変換を実現できました。VIPerPlusファミリは、ブルーエンジェルおよびエネルギースターエコ規範を遵守するための最も容易なソリューションを示しており、システムがスタンバイモードにある時に主電源からの極めて低い総電力消費が備わっています。

STMicroelectronics VIPerPlus高電圧コンバータには、800Vアバランシェの頑丈なMOSFETと最新式のPWM回路が組み合わされています。その結果、効率的で、よりシンプルで、より迅速で、かつ部品点数を半減したより安価な、真の革新的なAC-DC変換を実現できました。最適化された電流モード制御および包括的な内蔵保護回路といった利点に加えて、VIPerPlusファミリは、ブルーエンジェルおよびエネルギースターエコ規範を遵守するための最も容易なソリューションを示しています。またシステムがスタンバイモードにある時には、主電源からの総電力消費が極めて低くなっています。

特徴
  • 超低電源消費: 265Vで30mWスタンバイ
  • 下記によって全体的なシステムコストを削減:
    • 最小限の合計コンポーネント数での簡素な設計
    • EMIフィルターコストを削減するジッタリング特性

  • ブルーエンジェルおよびエネルギースターエコ規範、ならびに2002/95/ ECの欧州指令への準拠
  • 最も人気の高いSMPSトポロジーに対応: フライバック
    (絶縁および非絶縁出力、一次規制)、
    バックコンバータおよびバックブーストコンバータ
  • 800VのMOSFETに加えて、組み込み障害保護機能よって保証される、
    高い堅牢性と信頼性

STMicroelectronics VIPer15 Quasi-Resonat高性能オフライン高電圧コンバータは、800Vの頑丈なパワーセクション、PWM制御、ダブルレベルの過電流保護、過電圧保護と過負荷保護、ヒステリシス熱保護、ソフトスタートおよび故障状態解除後の自動再スタート機能を備えたオフラインコンバータです。バーストモード動作および非常に低い消費電力を伴うデバイスの両方とも、スタンバイ省エネ規制によって設定された基準を満たすことに役立ちます。Quasi-resonant機能が、EMIフィルターコストを削減します。整流された入力電圧レベルがシステムに指定された通常の最小レベルを下回る場合に、ブラウンアウトおよびブラウンイン機能がスイッチモード電源を保護します。高電圧スタートアップ回路は、デバイスに組み込まれています。

STMicroelectronics VIPer15 Quasi-Resonat高性能オフライン高電圧コンバータ
購入ボタン 製品リストを表示
特徴
  • 800Vアバランシェの頑丈なパワーセクション
  • バレースイッチング動作用のQuasi-resonant(QR)制御
  • スタンバイ電力は265VAC未満で50mW
  • 調節可能セットポイントでの電流制限
  • 調節可能かつ精密な過電圧保護
  • オンボードソフトスタート
  • 故障状態後の安全自動リスタート
  • ヒステリシス熱シャットダウン
アプリケーション
  • PDA、カムコーダ、シェーバー、携帯電話、コードレスフォン、ビデオゲーム用アダプタ
  • LCD/PDP TV、モニター、オーディオシステム、コンピュータ、工業システム、LEDドライバ、エルキャップなしLEDドライバ、ユーティリティ電力計用の補助電源
  • セットトップボックス、DVDプレーヤー、レコーダー、白物家電用SMPS


STMicroelectronics VIPer25 Quasi-Resonat高性能オフライン高電圧コンバータは、800Vの頑丈なパワーセクション、PWM制御、ダブルレベルの過電流保護、過電圧保護と過負荷保護、ヒステリシス熱保護、ソフトスタートおよび故障状態解除後の自動再スタート機能を備えたオフラインコンバータです。バーストモード動作と、消費電力が非常に低いデバイスの両方が、スタンバイ省エネ規制により設定された基準の準拠に役立ちます。Quasi-resonant機能が、EMIフィルターコストを削減します。整流された入力電圧レベルがシステムに指定された通常の最小レベルを下回る場合に、ブラウンアウトおよびブラウンイン機能がスイッチモード電源を保護します。高電圧スタートアップ回路は、デバイスに組み込まれています。

STMicroelectronics VIPer25 Quasi-Resonat高性能オフライン高電圧コンバータ
購入ボタン 製品リストを表示
特徴
  • 800Vアバランシェの頑丈なパワーセクション
  • バレースイッチング動作用のQuasi-resonant(QR)制御
  • スタンバイ電力は265VAC未満で50mW
  • 調節可能セットポイントでの電流制限
  • 調節可能かつ精密な過電圧保護
  • オンボードソフトスタート
  • 故障状態後の安全自動リスタート
  • ヒステリシス熱シャットダウン
アプリケーション
  • PDA、カムコーダ、シェーバー、携帯
    電話、コードレスフォン、ビデオゲーム用アダプタ
  • LCD/PDP TV、
    モニター、オーディオシステム、コンピュータ、工業システム、LED
    ドライバ、エルキャップなしLEDドライバ、ユーティリティ電力計用の補助電源
  • セットトップボックス、DVDプレーヤー、レコーダー、
    白物家電用SMPS


STMicroelectronics VIPer35 Quasi-Resonat高性能オフライン高電圧コンバータには、800Vの頑丈なパワーMOSFETとQuasi-resonant電流モードPWM制御が統合されています。軽負荷状態下でのバーストモードにおいて非常に低い電力消費と動作を伴い、厳しい省エネ基準を満たします

VIPer35はブラウンアウトが特徴で、お互いのスイッチオフおよびスイッチオン閾値をそれぞれ個別に設定するようにICを有効化できます。Quasi-resonant動作によって、アプリケーションにおけるEMIのレベルおよび部品の数が削減され、スイッチング損失を低減して電力変換効率を向上させます。出力過電圧、短回路、ヒステリシスでの熱シャットダウンのような、高レベルの保護が特徴です。故障状態の除去後に、ICは自動的に再スタートします

STMicroelectronics VIPer35 Quasi-Resonat高性能オフライン高電圧コンバータ
VIPer35 Quasi-Resonat高性能オフライン高電圧コンバータを注文する 製品リストを表示

VIPer35のデータシート
特徴
  • 800Vアバランシェの頑丈なパワーMOSFETによって、超広範な入力VACを達成可能
  • 組み込みHVスタートアップとセンスFET
  • 内蔵ソフトスタート
  • 電流制限ドレイン(IDlim)を備えたQuasi-resonant電流モードPWMコントローラ
  • マルチ機能ZCDピン: - ゼロ電流検出 - OCP閾値(IDlim)設定 - 出力OVP(自動再スタート) - フィードフォワード補償
  • フォトカプラでの絶縁型フライバックトポロジーに対応
  • 周波数制限: - 136kHz(L型)、225kHz(H型)
  • 無負荷状態において30mW @230VAC以下
  • 抵抗分割器を介した電圧低下設定
  • 短回路保護(自動リスタート)
  • ヒステリシス熱シャットダウン
アプリケーション
  • 補助電源装置
  • PDA、カムコーダ、シェーバー、タブレット、ビデオゲーム、STB用アダプタ/充電器
  • 産業システム、計測器、家電用の消耗品


STMicroelectronics VIPer377固定周波数オフラインコンバータには800Vの頑丈なパワーセクション、PWM制御、2レベルの過電流保護、過電圧および過負荷保護、ヒステリシス熱保護、ソフトスタートおよび故障状態解除後の安全自動再スタート機能があります。バーストモード動作と、消費電力が非常に低いデバイスを用い、スタンバイ省エネ規制に

準拠します。高度な周波数ジッタリングが、EMIフィルターコストを削減します。整流された入力電圧レベルがシステムに指定された通常の最小レベルを下回る場合に、ブラウンアウト機能がスイッチモード電源を保護します。高電圧スタートアップ回路は、デバイスに組み込まれています。

STMicroelectronics VIPer37固定周波数オフラインコンバータ
VIPer377固定周波数オフラインコンバータを注文する 製品リストを表示

VIPer37のデータシート
特徴
  • 800Vアバランシェの頑丈なパワーMOSFETによって、超広範な入力Vacを達成可能
  • 調節可能な制限電流でのPWM動作
  • 265Vacで30mWスタンバイ
  • 動作周波数: - 60kHz(L型)、115kHz(H型)
  • 低EMC用の周波数ジッタリング
  • 出力電圧保護
  • 高一次電流保護(二次OCP)
  • 入力過電圧設定(電圧低下)
  • オンボードソフトスタート
  • 故障状態解除後の安全自動リスタート
  • ヒステリシス熱シャットダウン
アプリケーション
  • セットトップボックス、DVDプレーヤー、レコーダー、白物家電用SMPS
  • 民生機器や家庭用機器の補助電源
  • ATX補助電源
  • 低/中電力AC-DCアダプタ


STMicroelectronics VIPer38ピーク電力高電圧コンバータは、800Vの頑丈なパワーMOSFETとPWM 電流モード制御をスマートに組み合わせています。パワーMOSFETを使用すると、非常に高い入力VACを適用可能になり、制限要素は、降圧電圧だけとなります。このICは、軽負荷下でのバーストモードにおいて非常に低い消費と動作を有する、より厳しい省エネ基準を満たす能力があります。

本製品には、ICが数秒間の過負荷に耐えられるようにした調整可能なエクストラパワータイマー(EPT)が搭載されています。

統合HVスタートアップ、センスFET、ジッタを備えた発振器を使用すると、アプリケーション内の最小限のコンポーネントを使用する利点を得ることができます。

デバイスは、デュアルレベルのOCP、出力過電圧、短回路、ヒステリシスでの熱シャットダウンのような高レベルの保護が特徴です。故障状態解除後に、ICは自動的に再スタートします。

STMicroelectronics VIPer38ピーク電力高電圧コンバータ
VIPer38ピーク電力高電圧コンバータを注文する 製品リストを表示

VIPer38のデータシート
特徴
  • 800Vアバランシェの頑丈なパワーMOSFETによって、超広範な入力Vacを達成可能
  • 組み込みHVスタートアップとセンスFET
  • PWM電流モードコントローラ
  • トランス飽和または二次ダイオードの短回路からICを保護するための、選択可能な閾値(IDlim)でのOCP、およびより高い(IDMAX)での第二OCP
  • 230Vac30mWの無負荷消費
  • 2つの動作周波数: - 60kHz(L型)または115kHz(H型)
  • ジッタ周波数がEMIを削減
  • 追加の電力タイマ(EPT)が数秒間過負荷電流を遮断
  • 厳しい公差とデジタルノイズフィルタでの出力過電圧保護
  • ソフトスタートがスタートアップ中のストレスを低減し、IC寿命を増大
  • 故障状態解除後の自動リスタート
  • 熱シャットダウンがシステムの信頼性とIC寿命を増大
アプリケーション
  • 民生機器や家庭用機器の補助電源
  • エネルギーメーター、データコンセントレータ用電源
  • アダプタ


STMicroelectronics VIPer06固定周波数オフライン高電圧コンバータは、800Vアバランシェの頑丈なパワーセクション、PWMコントローラ、ユーザー定義の過電流制限、オープンループ障害保護、ヒステリシス熱保護、ソフトスタートアップおよび故障状態解除後の安全な自動再スタート機能を備えたオフラインコンバータです。デバイスには、整流された主電源からデバイス自体に直接給電する能力があり、補助巻線バイアスの必要性を排除しています。高度な周波数ジッタリングが、EMIフィルターコストを削減します。バーストモード動作も、電力消費が非常に低いデバイスのどちらも、省エネ規制によって設定された標準を満たすことに役立ちます。

STMicroelectronics VIPer06固定周波数オフライン高電圧コンバータ
購入ボタン 製品リストを表示
特徴
  • 800Vアバランシェの頑丈なパワーセクション
  • 低EMI向け周波数ジッタとPWM動作
  • 動作周波数: VIPER06Xxで30kHz
    、VIPER06Lxで 60kHz、VIPER06Hxで115kHz
  • 低消費電力アプリケーション用の補助巻線は不要
  • スタンバイ電力265VAC未満で30mW
  • 調節可能セットポイントでの電流制限
  • オンボードソフトスタート

  • 故障状態解除後の安全自動リスタート
  • ヒステリシス熱シャットダウン

アプリケーション
  • 容量性電源の交換
  • 家庭用電化製品
  • 電力計
  • LEDドライバ 

STMicroelectronics VIPer16固定周波数高性能オフライン高電圧コンバータは、800Vアバランシェの丈夫なパワーセクション、PWMコントローラ、ユーザー定義の過電流制限、帰還ネットワーク切断に対する保護、ヒステリシス熱保護、ソフトスタートアップおよび故障状態解除後の安全自動再スタート機能を備えたオフラインコンバータです。整流された主電源からデバイス自体に直接給電する能力があり、補助巻線バイアスの必要性を排除しています。高度な周波数ジッタリングが、EMIフィルターコストを削減します。バーストモード動作も、電力消費が非常に低いデバイスのどちらも、省エネ規制によって設定された標準の準拠に役立ちます。

STMicroelectronics VIPer16固定周波数高性能オフライン高電圧コンバータ
購入ボタン 製品リストを表示
特徴
  • 800Vアバランシェの頑丈なパワーセクション
  • 低EMI向け周波数ジッタとPWM動作
  • 動作周波数: L型60kHz、H型115kHz
  • 低消費電力アプリケーション用の補助巻線は不要
  • スタンバイ電力は265VAC未満で50mW
  • 調節可能セットポイントでの電流制限
  • オンボードソフトスタート
  • 故障状態解除後の安全自動リスタート

  • ヒステリシス熱シャットダウン

アプリケーション
  • 容量性電源の交換
  • 機器の補助電源
  • 電力計
  • LEDドライバ 
 

STMicroelectronics VIPer26固 定周波数高性能オフライン高電圧コンバータは、800Vアバランシェの丈夫なパワーセクション、PWMコントローラ、ユーザー定義の過電流制限、帰還 ネットワーク切断に対する保護、ヒステリシス熱保護、ソフトスタートアップおよび故障状態解除後の安全自動再スタート機能を備えたオフラインコンバー タです。高度な周波数ジッタリングが、EMIフィルターコストを削減します。バーストモード動作も、電力消費が非常に低いデバイスのどちらも、省エネ規制によって設定された標準の準拠に役立ちます。

STMicroelectronics VIPer26固定周波数高性能オフライン高電圧コンバータ
購入ボタン 製品リストを表示
特徴
  • 800Vアバランシェの頑丈なパワーセクション
  • 低EMI向け周波数ジッタとPWM動作
  • 動作周波数: L型60kHz、H型115kHz
  • スタンバイ電力は265VAC未満で50mW
  • 調節可能セットポイントでの電流制限
  • オンボードソフトスタート
  • 故障状態解除後の安全自動リスタート
  • ヒステリシス熱シャットダウン
アプリケーション
  • 機器の補助電源
  • 電力計
  • LEDドライバ 
  • セットトップボックス、DVDプレーヤー、レコーダー用SMPS
 
ブロック図(非絶縁)
ブロック図(非絶縁)

STMicroelectronics VIPer17固定周波数高性能オフライン高電圧コンバータは、800Vの頑丈なパワーセクション、PWM制御、2レベルの過電流保護、過電圧および過負荷保護、ヒステリシス熱保護、ソフトスタートおよび故障状態解除後の安全自動再スタート機能を備えたオフラインコンバータです。バーストモード動作および非常に低い消費電力を伴うデバイスの両方とも、スタンバイ省エネ規制によって設定された基準を満たすことに役立ちます。高度な周波数ジッタリングが、EMIフィルターコストを削減します。整流された入力電圧レベルがシステムに指定された通常の最小レベルを下回る場合に、ブラウンアウト機能がスイッチモード電源を保護します。高電圧スタートアップ回路は、デバイスに組み込まれています。

STMicroelectronics VIPer17固定周波数高性能オフライン高電圧コンバータ
購入ボタン 製品リストを表示
特徴
  • 800Vアバランシェの頑丈なパワーセクション
  • 低EMI向け周波数ジッタとPWM動作
  • 動作周波数: L型60kHz、H型115kHz
  • スタンバイ電力は265VAC未満で50mW
  • 調節可能セットポイントでの電流制限
  • 調節可能かつ精密な過電圧保護
  • オンボードソフトスタート
  • 故障状態解除後の安全自動リスタート
  • ヒステリシス熱シャットダウン
アプリケーション
  • PDA、カムコーダ、シェーバー、
    携帯電話、ビデオゲーム
    用アダプタ
  • LCD/PDP TV、
    モニター、オーディオシステム、コンピュータ、工業
    システム、LEDドライバ、エルキャップなしLEDドライバ
    用の補助電源
  • セットトップボックス、DVDプレーヤー、
    レコーダー、白物家電
    用SMPS
 

STMicroelectronics VIPer27固定周波数高性能オフライン高電圧コンバータは、800Vの頑丈なパワーセクション、PWM制御、2レベルの過電流保護、過電圧および過負荷保護、ヒステリシス熱保護、ソフトスタートおよび故障状態解除後の安全自動再スタート機能を備えたオフラインコンバータです。バーストモード動作および非常に低い消費電力を伴うデバイスの両方とも、省エネ規制によって設定された基準を満たすことに役立ちます。高度な周波数ジッタリングが、EMIフィルターコストを削減します。整流された入力電圧レベルがシステムに指定された通常の最小レベルを下回る場合に、ブラウンアウト機能がスイッチモード電源を保護します。高電圧スタートアップ回路は、デバイスに組み込まれています。

STMicroelectronics VIPer27固定周波数高性能オフライン高電圧コンバータ
購入ボタン 製品リストを表示
特徴
  • 800Vアバランシェの頑丈なパワーセクション
  • 低EMI向け周波数ジッタとPWM動作
  • 動作周波数: L型60kHz、H型115kHz
  • スタンバイ電力は265VAC未満で50mW
  • 調節可能セットポイントでの電流制限
  • 調節可能かつ精密な過電圧保護
  • オンボードソフトスタート
  • 故障状態解除後の安全自動リスタート
  • ヒステリシス熱シャットダウン
アプリケーション
  • 民生機器や家庭用機器の補助電源
  • ATX補助電源
  • 低/中電力AC-DCアダプタ
  • セットトップボックス、DVDプレーヤー、
    レコーダー、白物家電
    用SMPS
 

STMicroelectronics VIPer37固定周波数高性能オフライン高電圧コンバータは、800 Vの頑丈なパワーセクション、PWM制御、2レベルの過電流保護、過電圧および過負荷保護、ヒステリシス熱保護、ソフトスタートおよび故障状態解除後の安全自動再スタート機能を備えたオフラインコンバータです。バーストモード動作と、消費電力が非常に低いデバイスの両方が、スタンバイ省エネ規制により設定された基準の準拠に役立ちます。高度な周波数ジッタリングが、EMIフィルターコストを削減します。整流された入力電圧レベルがシステムに指定された通常の最小レベルを下回る場合に、ブラウンアウト機能がスイッチモード電源を保護します。高電圧スタートアップ回路は、デバイスに組み込まれています。

STMicroelectronics VIPer37固定周波数高性能オフライン高電圧コンバータ
購入ボタン 製品リストを表示
特徴
  • 800Vアバランシェの頑丈なパワーセクション
  • 調節可能な制限電流でのPWM動作
  • 265VACで30mWスタンバイ
  • 動作周波数: L型60kHz、H型115kHz
  • 低EMC用の周波数ジッタリング
  • 出力電圧保護
  • 高一次電流保護(二次OCP)
  • 入力過電圧設定(電圧低下)
  • オンボードソフトスタート
  • 故障状態解除後の安全自動リスタート
  • ヒステリシス熱シャットダウン
アプリケーション
  • セットトップボックス、DVDプレーヤー、
    レコーダー、白物家電
    用SMPS
  • 民生機器や
    家庭用機器
    の補助電源
  • ATX補助電源
  • 低/中電力AC-DCアダプタ
 
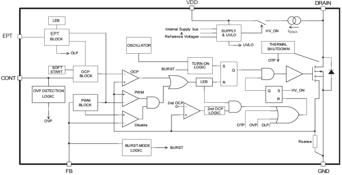
ブロック図(PWM)
ブロック図(PWM)
 

STMicroelectronics VIPer28固定周波数高性能オフライン高電圧コンバータは、800 Vの頑丈なパワーセクション、PWM制御、2レベルの過電流保護、過電圧および過負荷保護、ヒステリシス熱保護、ソフトスタートおよび故障状態解除後の安全自動再スタート機能を備えたオフラインコンバータです。バーストモード動作と、非常に低い消費電力を伴うデバイスの両方が、省エネ規制によって設定された基準準拠に役立ちます。高度な周波数ジッタリングが、EMIフィルターコストを削減します。追加の電力タイマを使用すると、設計時間ウィンドウに対する出力ピーク電流の管理が可能です。高電圧スタートアップ回路は、デバイスに組み込まれています。

STMicroelectronics VIPer28固定周波数高性能オフライン高電圧コンバータ
購入ボタン 製品リストを表示
特徴
  • 800 Vアバランシェの頑丈なパワーセクション
  • 調節可能な制限電流でのPWM動作
  • 265VACで30mWスタンバイ
  • 動作周波数: L型60kHz、H型115kHz
  • 低EMC用の周波数ジッタリング
  • 出力電圧保護
  • 高一次電流保護(二次OCP)
  • ピーク電流管理用の追加の電源タイマ
  • オンボードソフトスタート

  • 故障状態解除後の安全自動リスタート
  • ヒステリシス熱シャットダウン

アプリケーション

  • 民生機器や家庭用機器の補助電源
  • ATX補助電源
  • 低/中電力AC-DCアダプタ
  • セットトップボックス、DVDプレーヤー、レコーダー、白物家電用SMPS
ブロック図(外付け電源)
ブロック図(外付け電源)

STMicroelectronics VIPer0Pゼロ電力オフライン高電圧コンバータは、800Vアバランシェ堅牢パワーMOSFETをPWM電流モード制御とスマートに組み合わせた、高電圧コンバータです。800V絶縁破壊電圧を備えたパワーMOSFETを使用すると、適用される電圧の拡張入力電圧範囲が可能になり、DRAINスナバ回路のサイズを減らします。このICは、非常に低い消費の最も厳しい省エネ基準を満たす能力があり、軽負荷下でのパルス周波数変調で動作します。 ゼロ電力モード(ZPM)機能は、システムが完全にシャットダウンされている場合にアイドル状態で差動するICを可能にします。MCUは、スマートZPM管理用のICに簡単に接続できます。また、アイドル状態時にIC自体による供給が可能です。フライバック、バック、バックブーストコンバータの設計に対応しています。

STMicroelectronics VIPer0Pゼロ電力オフライン高電圧コンバータ
購入ボタン 製品リストを表示
特徴
  • ゼロ電力モード(ZPM)を使用したスマートスタンバイアーキテクチャ
  • MCUによって簡単に実現可能なZPM管理
  • 変換される範囲の極めて広いVAC入力を可能にする800Vアバランシェ堅牢パワーMOSFET
  • 組み込みHVスタートアップとセンスFET
  • 電流モードPWMコントローラ
  • ドレイン電流制限保護(OCP)
  • 広い供給電圧範囲: 4.5V~30V
  • セルフ供給オプションを使用すると、 巻線やバイアスコンポーネント補助を削除可能
  • 最小化されたシステム入力電力消費:
  • ZPMにおいて4mW @ 230VAC以下
  • 無負荷状態において10mW @ 230VAC以下
  • 250mW負荷で400mW @ 230VAC

  • ジッタスイッチング周波数がEMIフィルタコストを削減
  • 60kHz ±7%(L型)
  • 120kHz ±7%(H型)
  • 故障状態解除後の安全自動リスタート
  • ヒステリシス熱シャットダウン
  • 1.2Vリファレンスでの組み込みE/A、およびナビゲーションが簡単な電圧設定用の別途の接地
  • 自動再スタートでの保護: 過負荷/短回路(OLP)最大負荷サイクルコンバータ、VCCクランプ
  • フラックス暴走を防止するためのパルススキップ保護
  • 組み込み熱シャットダウン
  • システム信頼性の改善を目的とした内蔵ソフトスタート

アプリケーション

  • 家電、ホームオートメーション、工業、照明およびコンシューマー用SMPS
ブロック図
ブロック図
Mouserからの新製品のお知らせに登録する
  • STMicroelectronics
  • Power Management
  • Semiconductors|Integrated Circuits|IC-Power Management
公開: 2013-03-26 | 更新済み: 2022-03-17