STDRIVE102は、組み込み保護が特徴で、アプリケーション全体の堅牢性が向上しています。保護機能として、各電源(VCC、VDD、およびチャージポンプ電圧)に対する不足電圧ロックアウト(UVLO)、サーマルシャットダウン、ならびに高圧および低圧MOSFETのVDS監視を備えています。保護がトリガされると、nFAULTオープンドレインピンがイベントに信号を発します。STMicroelectronicsのSTDRIVE102は、ゲートドライバ電源VCCが低電圧しきい値を下回ったことを示す専用のオープンドレインピン(FLAG)を備えています。このデバイスには、障害が発生した場合にドライバの出力の即時ターンオフが可能になるスマートシャットダウン動作が統合されており、故障検出事象と実際の出力スイッチオフの間の伝搬遅延を最小限に抑えます。
STDRIVE102には、メイン電源ピン(VS)に加えて、高圧側NチャンネルMOSFETのドレインとの対応でモータ供給電圧に接続する専用のVMピンがあります。VMピンは、統合VDSモニタリングおよび充電ポンプのリファレンス電圧として活用されます。VSおよびVMピンは、異なる電圧での動作が可能で、デバイスの柔軟性が向上します。
特徴
- 動作電圧6V~50V
- 最大プログラマブル電流能力が備わっているゲートドライバ:
- 1Aソース電流
- 2Aシンク電流
- 下地とオーバーシュートに対する高い堅牢性
- 専用の不足電圧ロックアウト保護を備えた100%デューティサイクル動作のための充電ポンプ
- 柔軟性に富んだ電源管理:
- 専用の低電圧ロックアウト保護付き12V LDOリニアレギュレータ
- 専用の低電圧ロックアウト保護付き3.3V LDOリニアレギュレータ
- 50nA未満の低消費向けスタンバイモード
- サーマルシャットダウン保護
- パワーMOSFETの安全な駆動動作のVDS監視
- 柔軟なアナログフロントエンド:
- 最大3つの広帯域幅オペレーショナルアンプ
- 最大3つの高速コンパレータ
- デュアル制御モード:
- ENx/INx
- インターロッキング搭載INHx/INLX
- 全チャンネルに対して伝搬遅延をマッチング
- 最大5Vのロジック入力、TTL対応
アプリケーション
- バッテリ供給電源ツール
- ポータブル掃除機
- 電動バイク
- 産業用オートメーション
- ロボティクス
- ポンプとファン
ビデオ
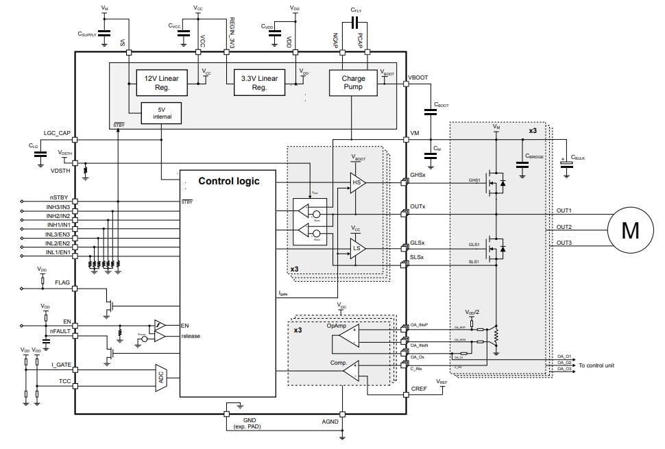
STDRIVE102BH/BPブロック図
STDRIVE102H/Pブロック図
公開: 2025-04-17
| 更新済み: 2026-04-30

