TSB7192は、広い帯域幅、スルーレート、低ノイズ、レールツーレール機能、精度といった機能の組み合わせを実現しています。これらの機能により、TSB7192フィルタといった多種多様なアプリケーションでの使用に役立ち、電源/モータ制御、アクチュエータ、ホール効果センサ、抵抗トランスデューサです。
特徴
- レールツーレール入出力
- 低オフセット電圧: 最高300µV
- 幅広い電源電圧範囲: 2.7V~36V
- ゲイン帯域幅積: 22MHz
- スルーレート: 12V/µs
- 低ノイズ: 12nV/√Hz
- +10/-9ゲインによる安定性
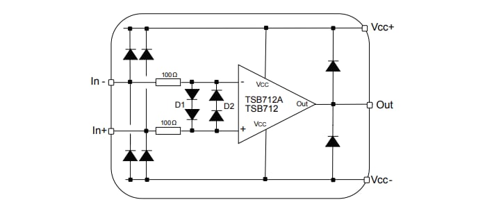
- 統合EMIフィルタ
- 標準SO8およびminiSO8パッケージ
- 2kV HBM ESD公差
- 拡張温度範囲: -40°C~+125°C
- 自動車グレードでご用意あり
アプリケーション
- ハイサイトおよびローサイド電流センシング
- ホール効果センサ
- データ収集と計器
- 試験機器および測定機器
- モータ制御
- 産業用プロセス制御
- 歪みゲージ
ビデオ
出力電流制限
公開: 2019-02-14
| 更新済み: 2024-01-26

