TE Connectivity / SMI AccuStable SM3041 Medium Pressure Sensor
TE Connectivity / SMI AccuStable SM3041 Medium Pressure Sensors are digital MEMS devices that offer pressure transducer technology and CMOS mixed-signal processing technology to produce a digital, fully signal-conditioned, multi-order pressure, and temperature-compensated sensor. The SM3041 sensors are available in a JEDEC standard SOIC-16 package with a dual vertical porting option. SM3041 sensors are available as differential sensors or with custom pressure ranges.Features
- Fully digital, pressure-calibrated, and temperature-compensated output
- I2C digital interface
- -20°C to +85°C compensated temperature range
- Better than 1% initial accuracy and less than 1% accuracy shift over life (<1% shift over 1000hr HTOL)
- Differential pressure configuration
- Insensitive to mounting orientation
- Manufactured according to ISO9001 and ISO/TS 16949 standards
- Pressure ranges from -15 to 15PSI
Applications
- Medical
- Oxygenators
- Fluid evacuation
- Gas flow instrumentation
- Patient monitoring
- Blood pressure monitor
- Negative pressure wound therapy
- Industrial
- Gas flow instrumentation
- Pneumatic gauges
- Pressure switches
- Consumer
- Sport equipment
- Appliances
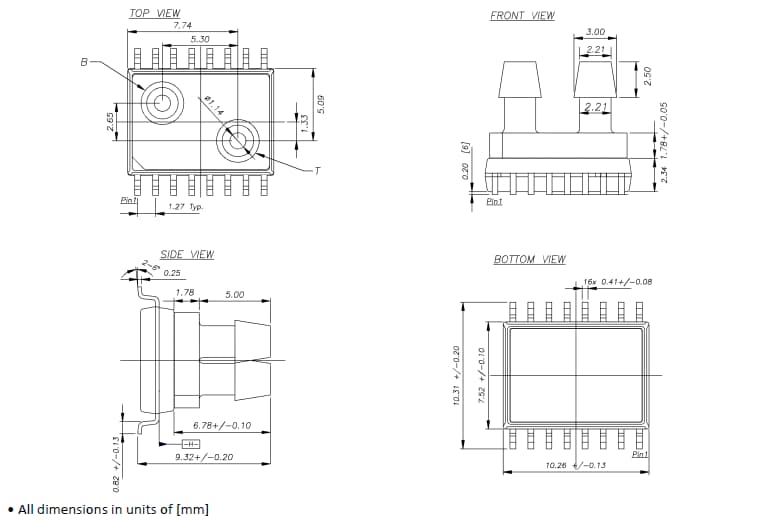
Dimensions
公開: 2016-06-01
| 更新済み: 2023-08-17
