Innovative Chemical & Gas Sensor Solution

Texas Instruments and National Products Winning Combinations

Check out a chemical and gas sensor solution that provides onboard processing and a configurable interface, allowing a single detector to be used for multiple sensor types. TI is the only company that can combine a programmable gas sensor AFE with a low power/high performance MCU and an integrated 4-20 mA driver to offer a compact solution that enables designers to have one sensor design capable of supporting multiple chemical and gas sensors. Texas Instruments and National Semiconductor - TOGETHER, a unique Chemical/Gas Sensor Solution!

LMP91000 Configurable AFE Potentiostat
MSP430F2003 16-Bit Ultra-Low-Power Microcontroller
XTR117 4-20mA Current Loop Transmitter
BQ25504 Ultra-Low Power Boost Converter

Key Solution Features

  • Configurable AFE with integrated electrode excitation
    • One design solution fits multiple electro-chemical sensors
  • 16-bit MCU for configuration and communication
    • Extremely low power extends battery life and ensures operation under 4mA
    • Enables online or factory programmed configuration and calibration of sensor
  • 4-20mA Current Loop Transmitter
    • Integrated 5V regulator capable of providing system power
    • .05% span error

LMP91000


LMP91000 Configurable AFE Potentiostat

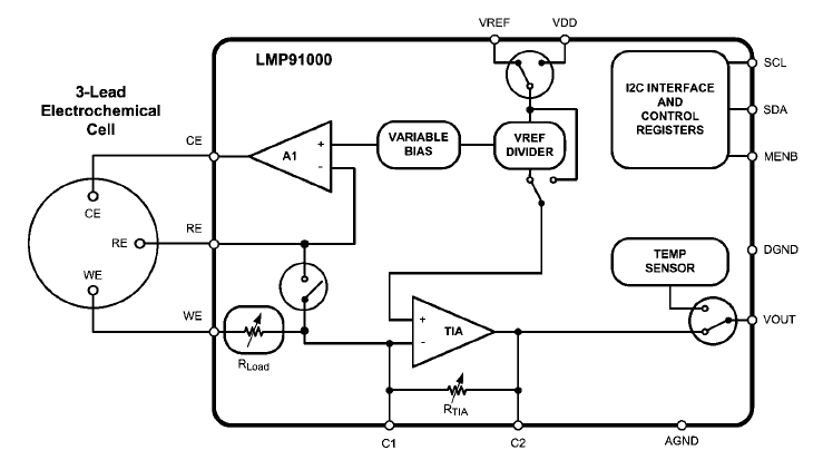
The LMP91000 is a programmable Analog Front End ( AFE) for use in micro-power electrochemical sensing applications that provides a complete signal path solution between a sensor and a microcontroller that generates an output voltage proportional to the cell current. The LMP91000 's programmability enables it to support multiple electrochemical sensors such as 3-lead toxic gas sensors and 2-lead galvanic cell sensors with a single design, as opposed to the multiple discrete solutions. The LMP91000 supports gas sensitivities over a range of 0.5 nA/ppm to 9500 nA/ppm and also allows for an easy conversion of current ranges from 5µA to 750µA full scale. Its adjustable cell bias and transimpedance amplifier ( TIA ) gain are programmable through the I 2 C interface. The LMP91000 is optimized for micro-power applications and operates over a voltage range of 2.7V to 5.25V.

    Features
    Typical Values, T A=25ºC
  • Supply voltage: 2.7V to 5.25V
  • Supply current (average over time): <10µA
  • Cell conditioning current up to 10mA
  • Reference electrode bias current (85ºC): 900pA (max)
  • Output drive current: 750µA
  • Complete potentiostat circuit to interface to most chemical cells
  • Programmable cell bias voltage
  • Low bias voltage drift
  • Programmable TIA gain: 2.75kΩ to 350kΩ
  • Sink and source capability
  • I 2 C compatible digital interface

    Applications
  • Chemical species identification
  • Amperometric applications
  • Electrochemical blood glucose meter




View Product List




Specifications:

  • Operating Temperature Range:
    -40 to 85ºC
  • Package: 14 pin LLP
Part Number
Description Datasheet
LMP91000SDE/NOPB Configurable AFE Potentiostat for Low-Power Chemical Sensing

LMP91000SDEVLNPB LMP91000 evalboard(LMP91000DEVAL); allows configuring the LMP91000
through the I 2 C interface and testing the device with real gas sensors
(3-lead amperometric cells and 2-lead galvanic cells).

Block Diagram

Typical Application - AFE Gas Detector


MSP430F2003

MSP430F2003 Ultra-Low-Power Microcontroller

The MSP430 family of ultra-low-power microcontrollers from Texas Instruments consists of several devices featuring different sets of peripherals targeted for various applications. The architecture combined with five low-power modes is optimized to achieve extended battery life in portable measurement applications. The device features a powerful 16-bit RISC CPU, 16-bit registers, and constant generators that contribute to maximum code efficiency.

The MSP430F20xx series is an ultra-low-power mixed signal microcontroller with a built-in 16-bit timer and 10 I/0 pins. The MSP430F2003 has built-in communication capability using synchronous protocols (SPI or I2C ) and a 16-bit sigma-delta A/D converter.

    Features
    • Ultra-low power consumption
      - Active mode: 220µA at 1MHz, 2.2V
      - Standby mode: 0.5µA
      - Off Mode (RAM Retention): 0.1µA
    • Five power-saving modes
    • Ultra-fast wake-up from standby mode in less
      than 1µs
    • 16-Bit RISC architecture, 62.5-ns instruction cycle time
    • Basic clock module configurations:
      - Internal frequencies up to 16MHz with four calibrated
      frequencies to ±1%
      - Internal very low-power, low-frequency oscillator
      - 32-kHz crystal
      - External digital clock source
    • 16-bit timer _A with two capture/compare registers
    • 16-bit Sigma-Delta A/D converter with differential PGA inputs and internal reference
    • Universal Serial Interface (USI) supporting SPI and I2C
    • Brownout detector
    Applications
    • Sensor systems for analog-to-digital signal conversion
    • Stand-alone RF sensor front end




View Product Detail


Specifications

  • Low supply voltage range: 1.8V to 3.6V
  • 1KB + 256B Flash Memory
  • 128B RAM

Block Diagram

See Port Schematics section for detailed I/O information

XTR117

XTR117 4-20mA Current-Loop Transmitter

The XTR117 from Texas Instruments is a precision current output converter designed to transmit analog 4-20mA signals over an industry-standard current loop. It provides accurate current scaling and output current limit functions. The XTR117 is a fundamental building block of smart sensors using 4-20mA current transmission. The XTR117 is specified for operation over the extended industrial temperature range -40ºC to +125ºC.


Features
  • Low quiescent current: 130µA
  • 5V regulator for external circuits
  • Low span error: 0.05%
  • Low nonlinearity error: 0.003%
  • Wide-loop supply range: 7.5V to 40V
  • MSOP-8 and DFN-8 packages

Specifications
  • Operating voltage range: 7.5V to 40V
  • Operating temperature range: -55°C to 125°C
Applications
    • Two-wire, 4-20mA current loop transmitter
    • Smart transmitter
    • Industrial process control
    • Test systems
    • Current amplifier
    • Voltage-to-Current amplifier


View Products List


Diagram



BQ25504


BQ25504 Ultra-Low Power Boost Converter

The BQ25504 Boost Converter from Texas Instruments is the first of a new family of intelligent energy harvesting Nano-Power management solutions that are well-suited for meeting the special needs of ultra low power applications. The BQ25504 is specifically designed to efficiently acquire and manage the microwatts (µW) to miliwatts (mW) of power generated from a variety of DC sources like photovoltaic (solar) or thermal electric generators.

The BQ25504 is the first device of its kind to implement a highly efficient boost converter/charger targeted toward products and systems, such as wireless sensor networks (WSN) which have stringent power and operational demands.


FEATURES
  • Ultra low power with high efficiency DC/DC
    Boost Converter/Charger
    - Continuous energy harvesting from low input sources: VIN≥80 mV (Typical)
    - Ultra low quiescent current: IQ < 330 nA (Typical)
    - Cold-start voltage: VIN ≥ 330 mV (Typical)
  • Programmable dynamic Maximum Power Point Tracking (MPPT)
    - Integrated dynamic maximum power point tracking for optimal energy extraction
    from a variety of energy generation sources
    - Input voltage regulation prevents collapsing input source
  • Energy Storage
    - Energy can be stored to re-chargeable
    Li-ion batteries, thin-film batteries,
    super-capacitors, or conventional capacitors
  • Battery charging and protection
    - User programmable undervoltage/overvoltage levels
    On-Chip temperature sensor with programmable overtemperature shutoff

BATTERY STATUS OUTPUT
  • Battery good output pin
  • Programmable threshold and hysteresis
  • Warn attached microcontrollers of pending loss of power
  • Can be used to enable/disable system loads
APPLICATIONS
  • Energy harvesting
  • Solar charger
  • Thermal Electric Generator (TEG) harvesting
  • Wireless sensor networks (WSN)
  • Industrial monitoring
  • Environmental monitoring
  • Bridge/structural health monitoring (SHM)
  • Smart building controls
  • Portable and wearable health devices
  • Entertainment system remote controls



View Product Detail







 
  • Texas Instruments
  • Power|Semiconductors|Integrated Circuits|IC-Amplifier|IC-Power Management|Sensors
公開: 0001-01-01 | 更新済み: 0001-01-01