Texas Instruments AMC60804真のEMLモニタとコントローラ
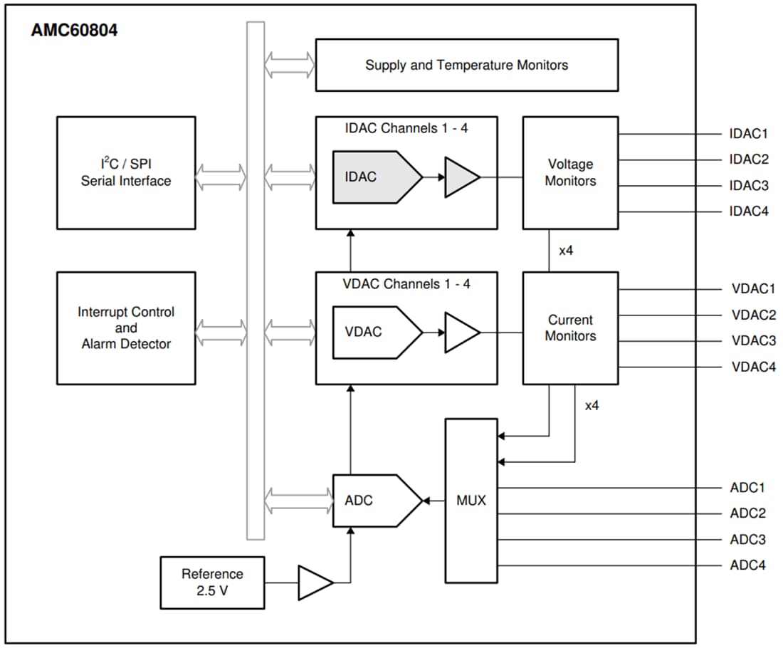
Texas Instruments AMC60804真のEMLモニタとコントローラは、高度に統合された低消費電力アナログモニタとコントローラで、電気吸収変調レーザー(EML)に向けて最適化されています。AMC60804には、4つの12ビット電流出力デジタルアナログコンバータ(IDAC)および4つの12ビット電圧出力DAC(VDAC)が搭載されており、プログラマブル出力範囲が備わっています。また、AMC60804には、12ビット、1MSPSアナログデジタルコンバータ(ADC)も搭載されており、外部信号と内部信号監視、供給と温度アラームモニタ、高精度内部リファレンスに使用されます。AMC60804 VDACは、正と負の両方の出力範囲動作をサポートしており、最大50mAのソースとシンクが可能で、EMLでの電磁吸収モジュレータ(EAM)のバイアス接続にとって優れた選択です。さらに、AMC60804 IDACは、非常に低い電力損失で150mAのフルスケール出力範囲をサポートしており、これによってEMLレーザー・ダイオードにバイアスをかけるための外付け部品が不要になります。AMC60804 4 VDACとIDAC 4台を組み合わせると、最大4つのEMLレーザーの正確なバイアスが可能になります。
AMC60804には、ADCに多重化された4本の入力ピンが搭載されており、低レイテンシ・ウィンドウ・コンパレータが組み込まれています。この機能によって、このデバイスは、受信信号強度インジケータ(RSSI)および損失信号(LOS)検出に優れた選択となります。また、このADCは、IDACピンでの電圧を測定するだけでなく、VDACによって供給されたりシンクする電流を測定することも可能であるため、これらの出力を監視することができます。Texas Instruments AMC60804低消費電力、高統合、小型サイズ、広い動作温度範囲によって、この機器は、光モジュールに見られるEMLレーザーを対象としたオールインワン、低コストの制御回路として優れた選択となります。
特徴
- 4つの12ビット電流出力DAC(IDAC)
- 150mAフルスケール出力範囲
- 4つの12ビット電圧出力DAC(VDAC)
- 選択可能なフルスケール出力範囲(–5V、–2.5V、+2.5V、+5V)
- ±50mAの大電流駆動能力
- 12チャンネル、12ビット、1MSPS SAR ADC
- 4つの外部入力: 2.5Vおよび5Vの入力範囲
- 4つのIDAC電圧モニタチャンネル
- 4つのVDAC電流モニタチャンネル
- プログラマブルシーケンサ
- プログラマブル範囲外アラーム
- 内部2.5Vリファレンス
- 供給と温度障害アラーム
- SPIおよびI2Cインターフェイスのための1.7V~3.6V動作
- SPI(4線式インターフェイス)
- I2C(スレーブアドレス4つ)
- –40°C~+125°Cに指定された温度範囲
アプリケーション
- 光学モジュール
- Intra-DC相互接続(メトロ)
簡略図
公開: 2021-03-18
| 更新済み: 2022-03-11
