BQ27Z561-R1燃料残量計は、I2C互換およびHDQ 1-Wireインターフェイスを使用して通信を行います。また、正確なガス残量アプリケーションの促進に役立つ複数の主要な機能も搭載されています。集積温度センス機能(内部および外部オプション)によって、システムとバッテリの温度計測が可能です。統合SHA-256機能によって、システムとパックの間の安全な識別が実現します。
BQ27Z561-R1は、割込およびBTP機能を使用して、特定の充電状態(SOC)、電圧、または温度条件が発生するとシステムに通知します。低電圧動作によってシステムは、深く放電された状態であってもバッテリを連続的に監視できます。このデバイスは、低消費電力クローン・カウンティング(CC)モードに設定できます。このモードに設定すると、低動作状態での動作電流を大幅に低減しつつクローン・カウンティングを継続できます。
特徴
- 最低1mΩの電流センス・レジスタをサポート
- 強化された健康状態(SOH)アルゴリズムを含むパックサイドの計測をサポート
- 予測OCVに基づいた高速QMAX更新オプション
- SHA-256認証レスポンダによるバッテリ・パックのセキュリティ強化
- 洗練された充電アルゴリズム:
- JEITA
- 強化された充電
- RSOC充電補償オプション
- 2つの独立したADC
- 電流と電圧の同時サンプリングに対応
- 入力オフセット誤差1µV未満(typ)の高精度クーロン・カウンタ
- 低電圧(2V)動作
- 広範囲の電流アプリケーション(1mAから>5A)
- アクティブ・ハイまたはアクティブ・ロー割込ピン
- バッテリトリップポイント(BTP)に対応
- 低減された電力モード(標準電池パック動作範囲条件)
- 一般的なSLEEPモード: <11µA
- 一般的なDEEP SLEEPモード: < 9µA
- 一般的なOFFモード: < 1.9µA
- 内部および外部温度センス機能
- 診断ライフタイムデータモニタとブラックボックスレコーダ
- 400kHz I2Cバス通信インターフェイスによる高速のプログラミングとデータ・アクセス
- ホストとの通信を目的としたHDQ1線式
- コンパクトな12ピンDSBGAパッケージ(YPH)
アプリケーション
- スマートフォン
- デジタルカメラおよびデジタルビデオカメラ
- タブレットコンピュータ
- 携帯機器およびウェアラブル健康器具とポータブル・オーディオ
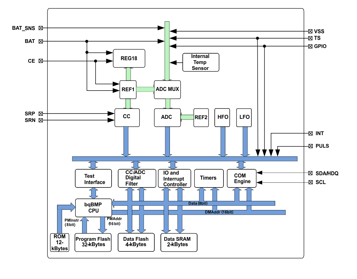
ブロック図
公開: 2019-05-15
| 更新済み: 2025-06-25

