Texas Instruments ESD204 TVS ESD保護ダイオードアレイ
Texas Instruments ESD204 TVS ESD保護ダイオードアレイは、HDMIおよびUSBサージ保護用(最大5.5A(8/20µs) まで)に設計されている双方向アレイです。ESD204は、国際規格EC61000-4-2(レベル4)で規定されている最大レベルで発生したESDを散逸させるように指定されています。ESD204が実現している低クランピングおよび高差動帯域幅によって、ダウンストリーム・デバイスの堅牢な保護を実現しながら、デバイスが高速信号をきれいに通過できるようにします。このデバイスには、チャンネルあたり0.55pFの低容量があり、HDMI 2.0、HDMI 1.4、USB 3.0、イーサネット1Gといった最大6Gbpsの高速インターフェイスの保護に最適です。この低動的抵抗および低クランピング電圧によって、過渡事象に対してシステムレベルで保護できます。特徴
- IEC 61000-4-2レベル4 ESD保護
- ±30kV接触放電
- ±30kV空中放電
- IEC 61000-4-4 EFT保護
- 80A(5/50ns)
- IEC 61000-4-5サージ保護
- 5.5A (8/20µs)
- 5.5A IPPで8.5Vの低サージ・クランピング電圧
- IO容量
- 0.55pF(typ)
- HDMI 2.0に準拠
- DC破壊電圧: 5.5V(最小)
- 非常に低いリーク電流: 10nA(最大値)
- 最大6Gbpsの高速インターフェイスに対応
- 工業温度範囲: –40°C~+125°C
- 簡単なフロースルールーティングパッケージ
アプリケーション
- 最終製品
- IPネットワークカメラ
- DVRおよびNVR
- イーサネットスイッチおよびルータ
- ラップトップとデスクトップ
- セットトップボックス
- TVとモニタ
- 携帯とタブレット
- インターフェイス
- HDMI 2.0
- HDMI 1.4
- USB 3.0
- Display Port 1.3
- PCIエクスプレス3.0
- イーサネット10/100/1000Mbps
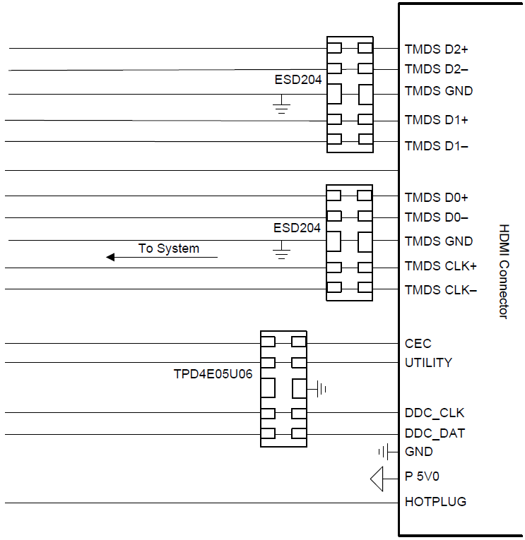
標準アプリケーション図
公開: 2018-05-21
| 更新済み: 2023-01-17
