Texas Instruments ISO121x絶縁デジタル入力レシーバ
Texas Instruments ISO121x絶縁デジタル入力レシーバは、絶縁24V~60Vデジタル入力レシーバで、IEC 61131-2 Type 1、2、3特性に準拠しています。これらのデバイスは、プログラマブル・ロジック・コントローラ(PLC)およびモータ制御デジタル入力モジュールに適しています。離散的で不正確な電流制限回路であった従来のオプトカプラソリューションとは異なり、ISO121xデバイスはシンプルで低消費電力のソリューションを実現しており、正確な電流制限機能が備わっています。この機能を使用すると、コンパクトかつ高密度I/Oモジュールの設計が可能です。これらのデバイスは、フィールド側の電源を必要とせず、ソーシングまたはシンク入力として構成可能です。ISO121xは、2.25V~5.5Vの電源範囲全体で動作し、2.5V、3.3V、5Vコントローラをサポートしています。逆極性保護による±60V入力公差は、ごくわずかな逆電流で故障が発生した場合の入力ピンの保護に役立ちます。これらのデバイスは、最大4Mbpsのデータレートをサポートし、最小パルス幅が150nsで、高速な動作が可能です。ISO1211デバイスは、チャンネル間絶縁を必要とする設計に最適です。また、ISO1212デバイスは、マルチチャンネルのスペースに制約がある設計に最適です。
特徴
- IEC 61131-2; Type 1、2、3特性に準拠
- 低電力消費用の正確な電流制限:
- Type 3向け2.2mAの~2.47mA
- 最大6.5mAまで調整可能
- 低電力消費用の正確な電流制限:
- フィールド側電源の必要性を排除
- 逆極性保護を備えた高入力電圧範囲: ±60V
- 入力ソースまたはシンクとして構成可能
- 高データレート: 最大4Mbps
- 高過渡電圧耐性: ±70KV/µs CMTI
- 広い供給範囲(VCC1): 2.25V~5.5V
- 周囲温度範囲: –40°C~+125°C
- コンパクトなパッケージオプション:
- シングルチャンネルISO1211、SOIC-8
- デュアルチャンネルISO1212、SSOP-16
- 安全関連認定:
- DIN V VDE V 0884-10に準拠した基本絶縁
- UL 1577認定、2500VRMS絶縁
- CSA、CQC、TUV証明書を発行可能
アプリケーション
- プログラマブルロジックコントローラ(PLC):
- デジタル入力モジュール
- 混合I/Oモジュール
- モータードライブI/Oと位置フィードバック
- CNC制御
- 48Vシステム
- データアクイジション
- バイナリ入力モジュール
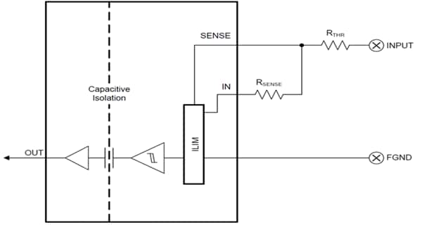
機能ブロック図
公開: 2017-11-15
| 更新済み: 2025-06-13
