Texas Instruments ISOW7741DFMEVM評価モジュール

Texas Instruments ISOW7741DFMEVM評価モジュールは、20ピンWB SOICパッケージ(パッケージコードDFM)に収められたISOW774xを迅速かつ簡単に実証できるように設計されています。ISOW774xは、クワッドチャンネル高性能、5000VRMS強化デジタルアイソレータで、高効率性・低排出DC-DCコンバータが集積されています。

特徴

  • 高性能、5000VRMS強化クワッドチャンネルデジタルアイソレータ(統合された高効率、低排出DC-DCコンバータ搭載)
  • 個別のIOおよびDC/DC供給入力
  • IOの1.71V~5.5Vワイド供給およびレベル変換範囲
  • 100Mbpsまでの高信号速度
  • 絶縁壁の寿命 >40年

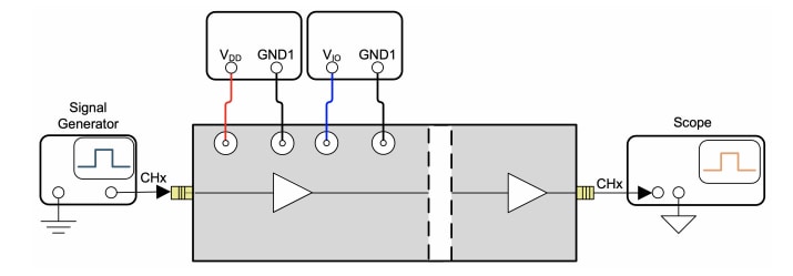
標準のテストセットアップ

Texas Instruments ISOW7741DFMEVM評価モジュール

レイアウト

Texas Instruments ISOW7741DFMEVM評価モジュール
公開: 2021-01-07 | 更新済み: 2022-08-26