Texas Instruments LM25011 スイッチングレギュレータ

Texas Instruments LM25011 スイッチングレギュレータ

Texas InstrumentsLM25011コンスタント・オンタイム降圧スイッチング・レギュレータは、最大2Aの負荷電流を供給できる低コストで効率的なバックバイアスレギュレータを実装する際に必要となるすべての機能を特徴としています。この高電圧レギュレータには、Nチャンネルバックスイッチ、スタートアップレギュレータ、電流制限検出、内部リップル制御が採用されています。コンスタント・オンタイム(COT)調整方式では、ループ補償が不要となるため、負荷過渡応答が高速になり、回路実装が簡略化されます。ラインおよび負荷で一定の動作周波数を維持します。調節可能バレー電流制限検出により、電流が制限値に達すると、電流制限フォールドバックを使用せずに定電圧モードから定電流モードになめらかに移行します。PGD出力は、出力電圧が予測調整値の5%以内に増加したことを示します。その他の機能には、低出力リップル、VIN低電圧ロックアウト、調節可能ソフトスタートタイミング、サーマルシャットダウン、ゲートドライブ事前充電、ゲートドライブ低電圧ロックアウト、最大負荷サイクル制限があります。LM25011AはLM25011よりも短い最短オフ時間を採用しており、低入力電圧で高周波数動作を実現します。


特徴
  • LM25011Qは車載グレード製品であり、AEC-Q100グレード1に準拠しています (接合部動作温度-40°C~+125°C)
  • LM25011Aにより高スイッチング周波数で低ドロップアウト動作を実現します
  • 入力動作電圧範囲: 6V~42V
  • 絶対最大入力定格: 45V
  • 統合2A Nチャンネルバックスイッチ
  • 調節可能電流制限により小型インダクタに対応
  • 2.51Vから調節可能な出力電圧
  • VOUTの最小リップル電圧
  • パワーグッド出力
  • 2MHzに調整可能なスイッチング周波数


  • COTトポロジーの特徴:
    • さまざまな負荷電流および入力電圧でスイッチング周波数をほぼ一定に維持
    • 超高速過渡応答
    • ループ補償は不要
    • セラミック出力コンデンサで安定した動作
    • 小型出力コンデンサおよび電流検出抵抗器に対応
  • 調節可能ソフトスタートタイミング
  • サーマルシャットダウン
  • 精度2%のフィードバック基準
  • パッケージ: 10ピン、VSSOP

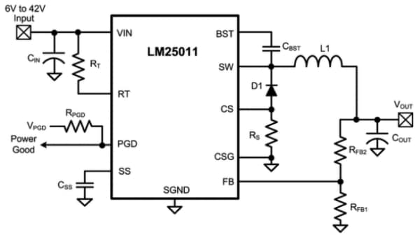
通常アプリケーション
通常アプリケーション

機能図
機能図

eNewsを受け取る
  • Texas Instruments
公開: 2014-05-08 | 更新済み: 2022-03-11