Texas Instrumentsからのナショナル製品のLMP8602 / LMP8603 60V固定ゲイン電流検出アンプ

Texas Instruments LMP8602 / LMP8603 60V固定ゲイン電流検出アンプ

Texas Instruments LMP8602およびLMP8603 60V固定ゲイン電流検出精密アンプは、高コモンモード電圧の存在下で小差動信号を増幅してフィルタリングします。これらのTIデバイスの入力コモンモード電圧範囲は、単電源5Vでの動作時に-22V~+60Vです。3.3V供給で、入力コモンモード電圧範囲は-4V~+27Vです。TI LMP8602およびLMP8603固定ゲイン電流検出精密アンプはLMP®ファミリのメンバーであり、単方向および双方向の電流検出アプリケーションでの使用に理想的です。LMP8602には、50xの精密なゲインが備わっています。その一方、LMP8603には100xの精密なゲインがあります。これらの正確なゲインの値は、ターゲットを絞った殆どのアプリケーションにおいて、フルスケール値に対してADCを駆動することができます。LMP8602QおよびLMP8603Qには、欠陥検出方法を含めて、自動車市場向けに強化された製造およびサポートのプロセスが組み込まれています。

特徴
  • 特記しない限り、標準値はTA=25°C、VS=5.0V、ゲイン=50x(LMP8602)、ゲイン=100x(LMP8603)
  • TCVos: 最大10μV/°C
  • CMRR: 最小90dB
  • 入力オフセット電圧: 最大1mV
  • VS=3.3VでCMVR: −4V~27V
  • VS=5.0VでCMVR: −22V~60V
  • 動作周囲温度範囲: −40°C~125°C
  • 単電源双方向動作
  • 全ての最小/最大制限を100%テスト済
アプリケーション
  • ハイサイドおよびローサイドドライバ構成電流検出
  • 双方向型電流測定
  • 電圧変換に対する電流ループ
  • 車載用燃料噴射制御
  • トランスミッション制御
  • パワーステアリング
  • バッテリ管理システム

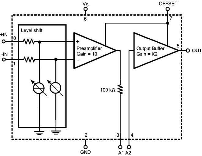
ブロック図

ブロック図

標準的アプリケーション


標準的アプリケーション
  • Texas Instruments
公開: 2012-03-05 | 更新済み: 2022-03-11