Texas Instruments SN74AC165/SN74AC165-Q1 8ビット・シフト・レジスタ
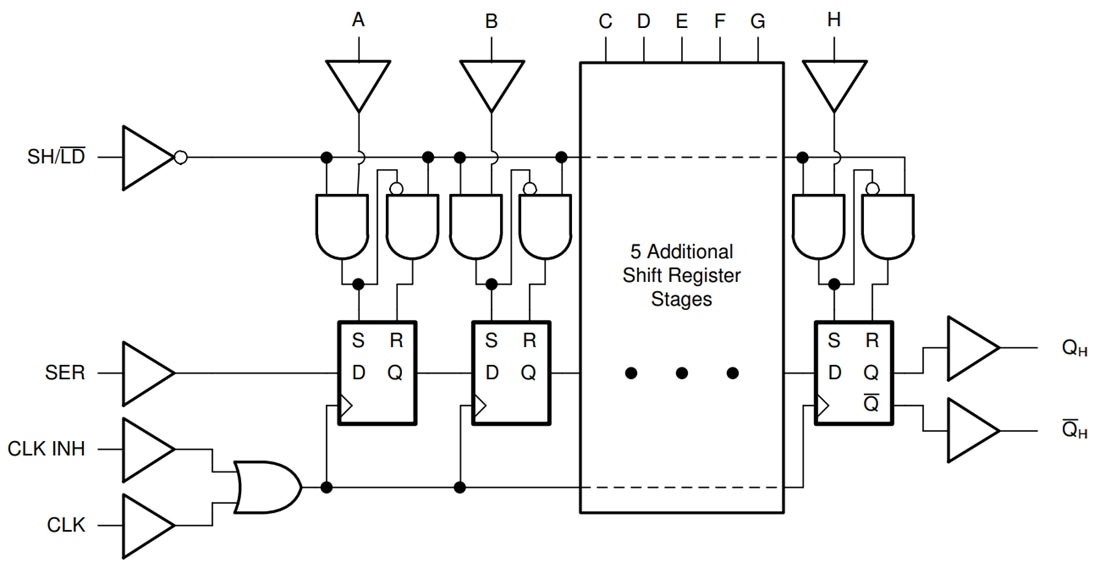
Texas Instruments SN74AC165/SN74AC165-Q1 8ビット並列入力シフトレジスタは、シリアルデータ入力(SER)、標準および反転シリアル出力(QH 、/QH)、およびクロック禁止入力(CLK INH)を備えています。各ステージへのパラレルインアクセスは、シフト/ 負荷(SH/LD)入力を低レベルにすることで有効化される8つの独立した直接データ(A-H)入力によって提供されます。これらのデバイスは、補完的なシリアル(/QH)出力とクロック禁止(CLK INH)機能も備えています。Texas Instruments SN74AC165-Q1は、自動車アプリケーション向けAEC-Q100認定を取得しています。特徴
- 1.5V ~ 6Vの広い動作範囲
- 6Vまでの電圧を受け入れる入力
- 連続出力ドライブ:5Vで±24mA
- 短いバーストで最大±75mAの出力駆動 (5V時) に対応
- 50Ω伝送ラインを駆動
- 最大 tpd :10.1ns(5V、の負荷50pF時)
アプリケーション
- マイクロコントローラでの入力数を増加
- ボードリビジョンの読み取り
論理図(正論理)
公開: 2025-04-30
| 更新済み: 2025-05-09
