TI SN74ACT165/SN74ACT165-Q1 レジスタは、マイクロコントローラの入力数の拡張や基板の設計変更に最適です。
SN74ACT165-Q1 デバイスは、車載アプリケーション向けにAEC-Q100認定を取得済みです。
特徴
- 車載アプリケーション向けにAEC-Q100認定済み:
- デバイス温度グレード1:-40°C~+125°C
- デバイスHBM ESD分類レベル2
- デバイス CDM ESD耐性分類レベル:C4B
- ウェッタブルフランク付きQFNパッケージで入手可能
- 動作電圧範囲:4.5V~5.5V
- TTL互換入力
- 連続±24mA出力駆動 (5V時)
- 短いバーストで最大±75mA出力駆動をサポート(5V時)
- 50Ω伝送ラインをドライブ
- 高速動作:12.4nsで最大5Vの遅延
アプリケーション
- マイクロコントローラでの入力数を増加
- ボードリビジョンの読み取り
データシート
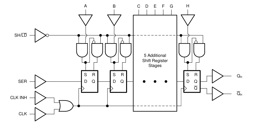
機能ブロック図
公開: 2026-01-12
| 更新済み: 2026-01-20

