TI TL4050/TL4050-Q1には、Aグレードの0.1%(最大)からCグレードの0.5%(最大)までの3つの初期公差があります。そのため、設計者はアプリケーションに最適なコスト・パフォーマンス比を柔軟に選択することができます。省スペースのSOT-23-3およびSC-70パッケージに収められ、必要な最小電流は45µA(標準)であるため、TL4050/TL4050x-Q1は、ポータブルアプリケーションにも最適です。
TL4050xIは、-40°C〜+85°Cの周囲温度範囲で動作することが特徴で、TL4050xQ/TL4050x-Q1は、-40°C〜125°Cで動作することが特徴です。
TI TL4050-Q1は、自動車アプリケーションのAEC-Q100認定を受けています。
特徴
- 自動車アプリケーション向け認定済み(TL4050-Q1)
- 2.048V、2.5V、4.096V、5Vの固定出力電圧
- 厳格な出力公差と低温係数
- Aグレード: 最大0.1%、50ppm/°C
- Bグレード: 最大0.2%、50ppm/°C
- Cグレード: 最大0.5%、50ppm/°C
- 41μVRMS(標準)の低出力ノイズ
- 広い動作電流範囲: 60μA(標準)〜15mA
- すべての容量性負荷で安定、出力なし
- 必要なコンデンサ
- -40°C~125°Cの拡張温度範囲で利用可能
アプリケーション
- データ収集システム
- 電源および電源モニタ
- 計測機器およびテスト機器
- プロセス制御
- 精密オーディオ
- 車載用電子機器
- エネルギー管理
- バッテリ駆動機器
データシート
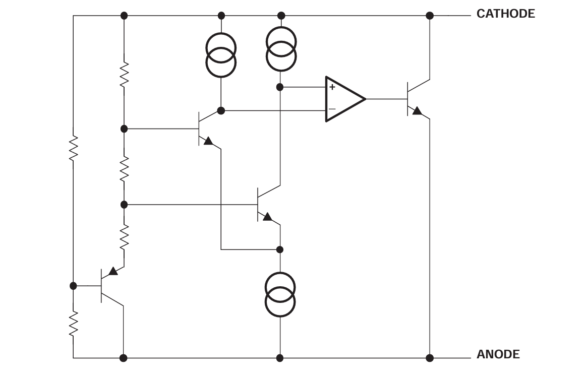
機能ブロック図
ピン配列/パッケージスタイル
公開: 2025-01-17
| 更新済み: 2025-01-26

