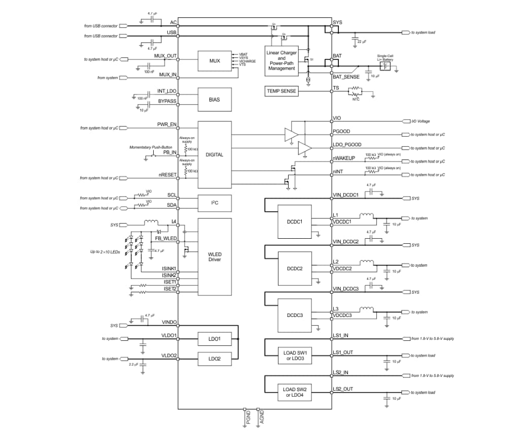
Texas Instruments TPS652170 PMIC
Texas Instruments TPS652170シングルチップ・パワーマネジメントIC(PMIC)は、ポータブルおよび5VアプリケーションにおいてAM335x ARM® Cortex®-A8プロセッサに電力を供給するように特別に設計されています。PMICデバイスは、シングルセルリチウムイオンおよびリチウムポリマ電池用のリニアバッテリ充電器、デュアル入力電力経路、3台の降圧型コンバータ、4台の低ドロップアウト(LDO)レギュレータ、高効率ブーストコンバータが特徴で、それぞれ最大10個のLEDが接続されている2つのストリングに電力を供給できます。システムは、USBポート、5V ACアダプタ、またはリチウムイオン電池の任意の組み合わせによって供給できます。TPS652170は、産業用アプリケーションに適した–40°C~+105°C温度範囲全域に指定されています。3台の高効率2.25MHz降圧型コンバータは、システムのコア電圧、メモリ、I/O電圧を実装できます。TPS652170は、48ピン・リードレス・パッケージ(6mm × 6mm VQFN)に収められており、0.4mmピッチになっています。
特徴
- 充電器と電力経路
- 電力経路での2A出力電流
- リニア充電器; 700mA最大充電電流
- 20V許容USBおよびAC入力
- 熱安定化、安全タイマ
- 温度センス入力
- 降圧型コンバータ(DCDC1、DCDC2、DCDC3)
- 降圧型コンバータ3台(統合スイッチングFET搭載)
- 2.25MHz固定周波数動作
- 軽負荷電流時の省電力モード
- PWMモード±2%での出力電圧精度
- 最も低いドロップアウトのたの100%デューティサイクル
- 1コンバータあたり標準15µA自己消費
- 無効時の接地へのパッシブ放電
- LDOレギュレータ(LDO1、LDO2)
- 調整可能LDO 2台
- LDO2は、DCDC3を追跡するように構成可能
- 標準15µA自己消費電流
- 負荷スイッチ(LDO3、LDO4)
- LDOとして構成できる2つの独立した負荷スイッチ
- WLEDドライバ
- 調光制御用に内部生成されたPWM
- 38VオープンLED保護
- それぞれ25mAで最大10個のLEDの2ストリングに対応
- 内部低圧側電流シンク
- 保護
- 不足電圧ロックアウトおよびバッテリ故障コンパレータ
- 「常時オン」のプッシュボタン・モニタ
- ハードウェアリセットピン
- パスワード保護I2Cレジスタ
- インターフェイス
- I2Cインターフェイス(アドレス0x24)
- パスワード保護I2Cレジスタ
アプリケーション
- Sitara™ AM335xプロセッサパワー
- ポータブルナビゲーションシステム
- タブレットコンピュータ
- 5V産業用機器
ブロック図
アプリケーション概略図
公開: 2019-10-14
| 更新済み: 2023-12-11
