Texas Instruments DK-LM3S-DRV8312Stellaris® MCU用モーター制御キット
Texas Instruments DK-LM3S-DRV8312Stellaris® MCU用モーター制御キット

製品リストを表示

追加リソース

TI DK-LM3S-DRV8312 Stellaris® MCU用
モーター制御キット

Texas Instruments DK-LM3S-DRV8312 Stellaris®マイクロコントローラ用モーター制御キットは、3位相ブラシレスDCおよびブラシレスACモーターを回転させる開発プラットフォームです。TI DK-LM3S-DRV8312モーター制御キットには、他のTIモーター制御プラットフォームと互換性のある費用対効果の高いStellaris LM3S818 MCUベースの制御CARDモジュールが含まれています。瞬時にモーターを回転させることに加えて、TI DK-LM3S-DRV8312モーター制御キットでは、簡素化されたチューニング、即時加速度適応、信頼性の高い低速動作など、InstaSPN BLDCモーター制御ソリューションの動作上の利点も実証されています。含まれているクロスヘアソリューションは、ユーザーが制御し、エンドアプリケーションに拡張でき、使いやすいPCアプリケーションを介して、トータルソリューションを監視できます。


キットの内容
  • MDL-LM3S818CNCD controlCARDモジュール
    • オンボードStellaris回路内デバッガインターフェース(ICDI)搭載のStellaris 50-MHz ARM® Cortex®-M3 LM3S818マイクロコントローラ
    • プログラム可能な100ピンDIMMフォームファクタ
    • デバッグ接続時に自動絶縁を有効化
  • DRV8312ベースボード(最大52.5Vと6.5Aに対応するTI統合型3Pモータードライバボード)
  • NEMA17 BLDC/PMSM 55Wモーター
  • 24V 2.5A DC電源アダプタ、110-240V AC入力、USA電源ケーブル
  • USB-miniB~USB-Aプラグケーブル(デバッグおよびシリアル通信用)
  • キットCD:
    • 完全なドキュメント
    • ファームウェアのアップデート用LM Flashプログラマユーティリティ
    • クロスヘアGUI
    • 適用可能なソースコード
    • 回路図
  • TI Code Composer Studio™の統合開発環境(IDE)

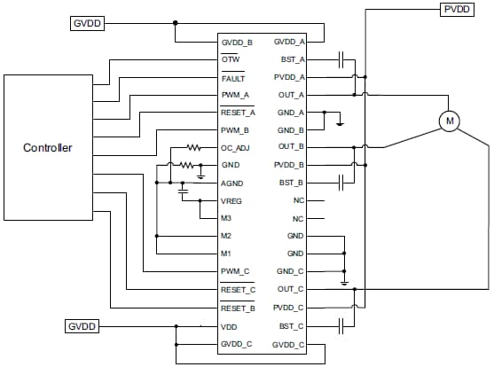
DRV8312のアプリケーション図

DRV8312のアプリケーション図

LM3S818のブロック図

LM3S818のブロック図
  • Texas Instruments
  • Industrial
  • Development Tools
公開: 2017-05-26 | 更新済み: 2017-05-26