Toshiba TPH1400CQ5シリコンNチャンネルMOSFET
Toshiba TPH1400CQ5 シリコンNチャンネルMOSFETは、U-MOSX-H世代のトレンチプロセスで設計された8ピンSMTパワーMOSFETです。このMOSFETは、36nsの高速逆回復時間、27nC(代表値)の逆回復電荷量など、改善された逆回復特性を備えています。TPH1400CQ5シリーズは、スイッチング電源の電力損失を低減し、同期整流アプリケーションでの効率を向上させます。Toshiba TPH1400CQ5 シリコンNチャンネルMOSFETは、低ドレイン-ソース間オン抵抗および低リーク電流を提供し、さまざまな電力および産業用アプリケーションに最適です。代表的なアプリケーションには、高効率DC/DCコンバータ、スイッチング電圧レギュレータ、モータードライバ、データセンタ、通信ベースシステムなどがあります。特徴
- シリコンNチャンネル極性
- U-MOSX-H世代
- 単一の内部接続
- 8ピンSMTパッケージ
- 高速逆回復時間
- 小さな逆回復電荷
- 小型ゲート電荷
- 低ドレインソースオン抵抗
- 小漏れ電流
- RoHSモデルのご用意あり
アプリケーション
- 高効率DC/DCコンバータ
- スイッチング電圧レギュレータ
- モーター ドライバー
仕様
- 150Vドレイン-ソース間電圧定格
- ゲート-ソース間電圧定格:±20V
- ドレイン電流定格:77A
- 消費電力定格:170W
- 最大ゲート閾値電圧:4.5V
- ドレイン-ソース間オン抵抗範囲:14.1mΩ〜17.3mΩ
- 最大入力容量:3800pF
- ゲート電荷量:8.5nC(代表値)
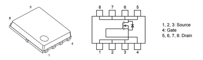
内部回路図
寸法 (mm)
公開: 2024-07-19
| 更新済み: 2024-09-10
